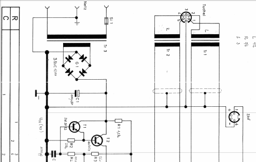
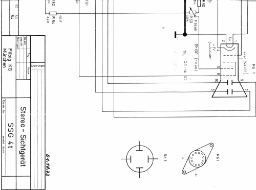
Stereo-Sichtgerät SSG-4T
Filbig KG; München
- Country
- Germany
- Manufacturer / Brand
- Filbig KG; München
- Year
- 1973
- Category
- Service- or Lab Equipment
- Radiomuseum.org ID
- 244688
Click on the schematic thumbnail to request the schematic as a free document.
- Number of Tubes
- 1
- Valves / Tubes
- D7-16GJ
- Number of Transistors
- 11
- Semiconductors
- Wave bands
- - without
- Power type and voltage
- Alternating Current supply (AC) / 220 / 24 Volt
- Loudspeaker
- - - No sound reproduction output.
- Material
- Metal case
- from Radiomuseum.org
- Model: Stereo-Sichtgerät SSG-4T - Filbig KG; München
- Shape
- Miscellaneous shapes - described under notes.
- Dimensions (WHD)
- 210 x 190 x 250 mm / 8.3 x 7.5 x 9.8 inch
- Notes
-
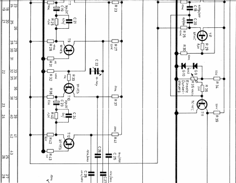
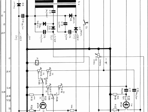
Einsatz im Bereich der Ton-Studiotechnik, um die Basisbreite und Korrelation von Stereosignalen (L, R) zwecks Analyse optisch sichtbar zu machen.
- Net weight (2.2 lb = 1 kg)
- 5 kg / 11 lb 0.2 oz (11.013 lb)
- Price in first year of sale
- 890.00 DM
- Author
- Model page created by Museum Roggenhofer. See "Data change" for further contributors.
- Other Models
-
Here you find 4 models, 3 with images and 4 with schematics for wireless sets etc. In French: TSF for Télégraphie sans fil.
All listed radios etc. from Filbig KG; München
Collections
The model Stereo-Sichtgerät is part of the collections of the following members.