RK9 EL3514
Philips Radios - Deutschland
- País
- Alemania
- Fabricante / Marca
- Philips Radios - Deutschland
- Año
- 1961
- Categoría
- Registrador o reproductor de sonido o visual
- Radiomuseum.org ID
- 241545
-
- Brand: Deutsche Philips-Ges.
Haga clic en la miniatura esquemática para solicitarlo como documento gratuito.
- Numero de valvulas
- 3
- Numero de transistores
- 1
- Semiconductores
- AC107
- Principio principal
- Amplificador de Audio
- Gama de ondas
- - no hay
- Especialidades
- Grabadora de cinta
- Tensión de funcionamiento
- Red: Corriente alterna (CA, Inglés = AC) / 110; 127; 220; 240 Volt
- Altavoz
- Altavoz dinámico (de imán permanente)
- Potencia de salida
- 1.5 W (unknown quality)
- Material
- Plástico moderno (Nunca bakelita o catalina)
- de Radiomuseum.org
- Modelo: RK9 EL3514 - Philips Radios - Deutschland
- Forma
- Sobremesa de cualquier forma, detalles no conocidos.
- Ancho, altura, profundidad
- 340 x 245 x 120 mm / 13.4 x 9.6 x 4.7 inch
- Anotaciones
-
Philips EL 3514 (RK9)
4-Spur-Tonbandgerät
- Leistungsaufnahme: 25 W
- Bandgeschwindigkeit: 9,5 cm/sec
- Spulengröße: max. 13 cm
- Eingänge: Mikrophon, Rundfunk, Phono
- HF-Löschopf: 46 kHz
- Peso neto
- 4.8 kg / 10 lb 9.2 oz (10.573 lb)
- Mencionado en
- Handbuch VDRG 1962/1963
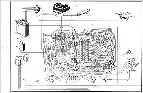
- Documentación / Esquemas (1)
- -- Schematic
- Autor
- Modelo creado por Walter Fackler. Ver en "Modificar Ficha" los participantes posteriores.
- Otros modelos
-
Donde encontrará 2549 modelos, 2261 con imágenes y 1566 con esquemas.
Ir al listado general de Philips Radios - Deutschland
Colecciones
El modelo RK9 es parte de las colecciones de los siguientes miembros.