Granada Stereo-Konzerttruhe Ch= 864
Imperial Rundfunk und Fernseh (Kuba-Imperial, auch General Electric); Osterode/Harz, Hemmingen
- Country
- Germany
- Manufacturer / Brand
- Imperial Rundfunk und Fernseh (Kuba-Imperial, auch General Electric); Osterode/Harz, Hemmingen
- Year
- 1965–1967
- Category
- Broadcast Receiver - or past WW2 Tuner
- Radiomuseum.org ID
- 26187
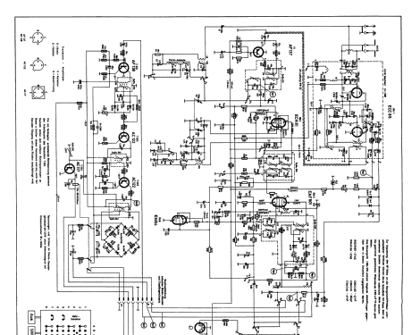
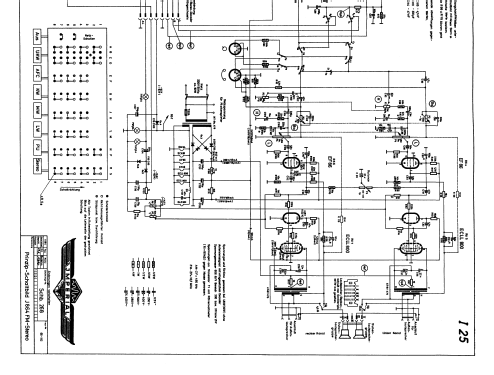
Click on the schematic thumbnail to request the schematic as a free document.
- Number of Tubes
- 8
- Number of Transistors
- 5
- Main principle
- Superheterodyne (common)
- Tuned circuits
- 6 AM circuit(s) 12 FM circuit(s)
- Wave bands
- Broadcast, Long Wave, Short Wave plus FM or UHF.
- Details
- Changer (Record changer)
- Power type and voltage
- Alternating Current supply (AC) / 220 Volt
- Loudspeaker
- 4 Loudspeakers
- Material
- Wooden case
- from Radiomuseum.org
- Model: Granada Stereo-Konzerttruhe Ch= 864 - Imperial Rundfunk und Fernseh
- Shape
- Console with Push Buttons.
- Dimensions (WHD)
- 1500 x 840 x 430 mm / 59.1 x 33.1 x 16.9 inch
- Notes
- Rundfunk-Chassis = 864-Stereo, Stereo-Decoder eingebaut, Stereo-NF-Verstärker mit 2 Gegentakt-Endstufen je 7,5 W;
Phono-Chassis = k. A.
- Net weight (2.2 lb = 1 kg)
- 79 kg / 174 lb 0.1 oz (174.009 lb)
- External source of data
- erb
- Source of data
- Handbuch VDRG 1965/1966 / Radiokatalog Band 2, Ernst Erb
- Other Models
-
Here you find 450 models, 420 with images and 215 with schematics for wireless sets etc. In French: TSF for Télégraphie sans fil.
All listed radios etc. from Imperial Rundfunk und Fernseh (Kuba-Imperial, auch General Electric); Osterode/Harz, Hemmingen
Collections
The model Granada Stereo-Konzerttruhe is part of the collections of the following members.