Сокол Sokol linear dial
Moscow TEMP Radio Works/Plant (ex-Moselektrik); Moskow
- Country
- Soviet Union
- Manufacturer / Brand
- Moscow TEMP Radio Works/Plant (ex-Moselektrik); Moskow
- Year
- 1963–1971 ?
- Category
- Broadcast Receiver - or past WW2 Tuner
- Radiomuseum.org ID
- 77541
Click on the schematic thumbnail to request the schematic as a free document.
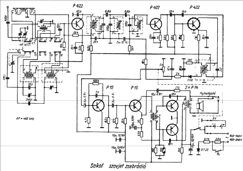
- Number of Transistors
- 7
- Semiconductors
- П422 or. П402 П422 or. П402 П422 or. П402 П15 or. П41 П15 or. П41 П14 or. П40 П14 or. П40
- Main principle
- Superheterodyne (common); ZF/IF 465 kHz; 3 AF stage(s)
- Tuned circuits
- 6 AM circuit(s)
- Wave bands
- Broadcast (MW) and Long Wave.
- Power type and voltage
- Line / Batteries (any type) / 110-140; 190-240 / 9 Volt
- Loudspeaker
- Permanent Magnet Dynamic (PDyn) Loudspeaker (moving coil)
- Power out
- 0.1 W (undistorted)
- Material
- Various materials
- from Radiomuseum.org
- Model: Сокол Sokol [linear dial] - Moscow TEMP Radio Works/Plant
- Shape
- Very small Portable or Pocket-Set (Handheld) < 8 inch.
- Dimensions (WHD)
- 150 x 90 x 36 mm / 5.9 x 3.5 x 1.4 inch
- Notes
-
Ext. power jack, dry or storage battery 9 V. Storage battery could be charged by external adapter.
This model is providing the possibility of a small earphone utilisation. The loudspeaker is disconnected automatically, when the phone is connected.
Wave bands:
- LW: 735 - 2000 m (150 - 408 kHz)
- MW: 187.4 - 577.4 m (525 - 1605 kHz)
- Net weight (2.2 lb = 1 kg)
- 0.390 kg / 0 lb 13.7 oz (0.859 lb)
- Price in first year of sale
- 780.00 HUF
- Source of data
- -- Original prospect or advert
- Author
- Model page created by Karl Günther Goldsteiner. See "Data change" for further contributors.
- Other Models
-
Here you find 33 models, 30 with images and 23 with schematics for wireless sets etc. In French: TSF for Télégraphie sans fil.
All listed radios etc. from Moscow TEMP Radio Works/Plant (ex-Moselektrik); Moskow
Collections
The model Сокол is part of the collections of the following members.
- Alexandr Belokopitov (UA)
- Howard Craven (GB)
- Nikolai Galak (UA)
- Karl Günther Goldsteiner (A)
- Heiko Harry Hacker (D)
- Peter Kinnaird (GB)
- Zenonas Langaitis (LT)
- Ervé Leclercq (B)
- Jose Mesquita (P)
- Sándor Perneky (H)
- Timo Rantasaari (FIN)
- Adriano Scarpa (I)
- Sándor Selyem-Tóth (H)
- José Manuel Silvestre (P)
- Danko Tkalec (HR)
- Georges Werts (B)