Fernseh-Rundfunk-Kombination SK 992 (Bestell-Nr. 06204)
QUELLE GmbH (Universum); Fürth und Nürnberg
- Country
- Germany
- Manufacturer / Brand
- QUELLE GmbH (Universum); Fürth und Nürnberg
- Year
- 1970/1971
- Category
- Television- and Radio Receiver, perh. also + Rec. etc. (TV Radio)
- Radiomuseum.org ID
- 83687
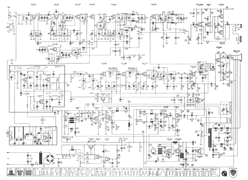
Click on the schematic thumbnail to request the schematic as a free document.
- Number of Tubes
- 1
- Valves / Tubes
- 190CB4
- Number of Transistors
- 33
- Semiconductors
- Main principle
- Superheterodyne (common)
- Wave bands
- Wave Bands given in the notes.
- Power type and voltage
- Line / Storage batteries (perhaps also batteries) / 220 / 12 Volt
- Loudspeaker
- Permanent Magnet Dynamic (PDyn) Loudspeaker (moving coil)
- Material
- Plastics (no bakelite or catalin)
- from Radiomuseum.org
- Model: Fernseh-Rundfunk-Kombination SK 992 - QUELLE GmbH Universum; Fürth
- Shape
- Tablemodel, with any shape - general.
- Dimensions (WHD)
- 183 x 243 x 210 mm / 7.2 x 9.6 x 8.3 inch
- Notes
-
Universum Fernseh-Rundfunk-Kombination SK 992-75, Bestell Nr. 06204;
- ~18 cm s/w TV Kombigerät mit Trommeltuner
- VHF CCIR Band I + III Norm B
- UHF-Abstimmrad nach CCIR G(H)
- Teleskopantenne fix eingebaut
- 12 V ext. Batterie oder Akku ansteckbar
- umschaltbare Ladeeinrichtung
- Rundfunkteil: MW 520 - 1605 kHz mit Ferritantenne
- UKW 88 - 108 MHz
- 14 W Netz/10,5 W Batt. Leistungsaufnahme.
Siehe auch: Crown 7TV-4
- Net weight (2.2 lb = 1 kg)
- 4.9 kg / 10 lb 12.7 oz (10.793 lb)
- External source of data
- Bedienanleitung
- Source of data
- -- Collector info (Sammler) / Radiokatalog Band 2, Ernst Erb
- Author
- Model page created by a member from A. See "Data change" for further contributors.
- Other Models
-
Here you find 1094 models, 918 with images and 518 with schematics for wireless sets etc. In French: TSF for Télégraphie sans fil.
All listed radios etc. from QUELLE GmbH (Universum); Fürth und Nürnberg
Collections
The model Fernseh-Rundfunk-Kombination is part of the collections of the following members.