- Country
- Estonia (Eesti, Tallinn)
- Manufacturer / Brand
- Punane, Radioelectronic Plant (RET), Raadio-Elektroonika Tehas (RET); Tallinn
- Year
- 1964–1966
- Category
- Broadcast Receiver - or past WW2 Tuner
- Radiomuseum.org ID
- 110597
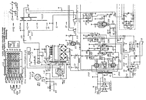
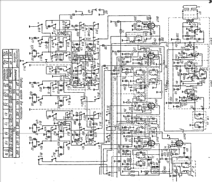
Click on the schematic thumbnail to request the schematic as a free document.
- Number of Tubes
- 12
- Main principle
- Superheterodyne (common); ZF/IF 465 kHz; 5 AF stage(s)
- Wave bands
- Broadcast, Long Wave, more than 2 x SW plus FM or UHF.
- Details
- Record Player (not changer)
- Power type and voltage
- Alternating Current supply (AC) / 110, 127, 220 Volt
- Loudspeaker
- 2 Loudspeakers / Ø 20 cm = 7.9 inch
- Power out
- 4 W (unknown quality)
- Material
- Wooden case
- from Radiomuseum.org
- Model: Estonia 3M - Punane, Radioelectronic Plant
- Shape
- Console, Lowboy (legs < 50 %).
- Dimensions (WHD)
- 850 x 350 x 360 mm / 33.5 x 13.8 x 14.2 inch
- Notes
- Produced:
1964 - 13541 pcs.
1965 - 25317 pcs.
1966 - 20366 pcs.
- Net weight (2.2 lb = 1 kg)
- 32 kg / 70 lb 7.8 oz (70.485 lb)
- Source of data
- -- Original prospect or advert
- Author
- Model page created by Urmas Tingas. See "Data change" for further contributors.
- Other Models
-
Here you find 25 models, 25 with images and 16 with schematics for wireless sets etc. In French: TSF for Télégraphie sans fil.
All listed radios etc. from Punane, Radioelectronic Plant (RET), Raadio-Elektroonika Tehas (RET); Tallinn
Collections
The model Estonia is part of the collections of the following members.