Raumhall-Einrichtung HVS1
Grundig (Radio-Vertrieb, RVF, Radiowerke); Fürth/Bayern
- Country
- Germany
- Manufacturer / Brand
- Grundig (Radio-Vertrieb, RVF, Radiowerke); Fürth/Bayern
- Year
- 1964–1975
- Category
- Miscellaneous (Other, Various) - see notes
- Radiomuseum.org ID
- 26553
-
- alternative name: Grundig Portugal || Grundig USA / Lextronix
Click on the schematic thumbnail to request the schematic as a free document.
- Number of Transistors
- 5
- Main principle
- Audio-Amplification
- Wave bands
- - without
- Power type and voltage
- Alternating Current supply (AC) / 110; 130; 220; 240 Volt
- Loudspeaker
- - For headphones or amp.
- Material
- Metal case
- from Radiomuseum.org
- Model: Raumhall-Einrichtung HVS1 - Grundig Radio-Vertrieb, RVF,
- Shape
- Chassis only or for «building in»
- Dimensions (WHD)
- 300 x 50 x 120 mm / 11.8 x 2 x 4.7 inch
- Notes
-
Grundig Raumhall-Einrichtung Modell HVS 1.
für Mono- und Stereobetrieb (Rundfunk-, Tonbandgeräte sowie FS-Kombinationen)
Schallverzögerung durch Drahtspiralen und elektrodynamische Wandler
Nachhalldauer: max.2s
Leistungsaufnahme: 6W
Schwimmende, trittschallgesicherte Aufhängung
- Net weight (2.2 lb = 1 kg)
- 2 kg / 4 lb 6.5 oz (4.405 lb)
- Price in first year of sale
- 145.00 DM
- External source of data
- erb
- Source of data
- Handbuch VDRG 1964/1965
- Mentioned in
- Grundig, technisches Jahrbuch 1975
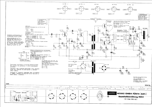
- Literature/Schematics (1)
- -- Original-techn. papers.
- Literature/Schematics (2)
- -- Original prospect or advert (Grundig Katalog 1967 - Schaufenster - Seite 22)
- Literature/Schematics (3)
- Funk-Technik (FT) (3/1964, S. 71 / Beschreibung, Schema)
- Other Models
-
Here you find 6251 models, 5496 with images and 4255 with schematics for wireless sets etc. In French: TSF for Télégraphie sans fil.
All listed radios etc. from Grundig (Radio-Vertrieb, RVF, Radiowerke); Fürth/Bayern
Collections
The model Raumhall-Einrichtung is part of the collections of the following members.
Literature
The model Raumhall-Einrichtung is documented in the following literature.
Forum contributions about this model: Grundig Radio-: Raumhall-Einrichtung HVS1
Threads: 2 | Posts: 8
Can the HVS-1 module be attached to my model 5490ST/U and function also with the Stereo-Decoder 5U? On the front panel, is the small selector lever which is located by the ECHO position??
MfG,
Robert
Robert Sarbell † 22.3.22, 20.Jan.05
Für einen Sammler habe ich diese Aufstellung gemacht.
Für Interessenten habe ich sie hier angefügt:
Hans M. Knoll
Attachments
Hans M. Knoll, 27.Dec.04