Spectra phonic 4005 974.126A Ch= 774.122D
Nordmende, Norddeutsche Mende-Rundfunk GmbH (Sterling), Bremen-Hemelingen
- Country
- Germany
- Manufacturer / Brand
- Nordmende, Norddeutsche Mende-Rundfunk GmbH (Sterling), Bremen-Hemelingen
- Year
- 1973–1975
- Category
- Broadcast Receiver - or past WW2 Tuner
- Radiomuseum.org ID
- 28979
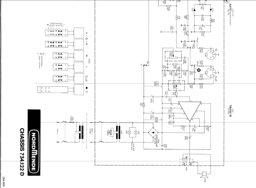
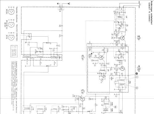
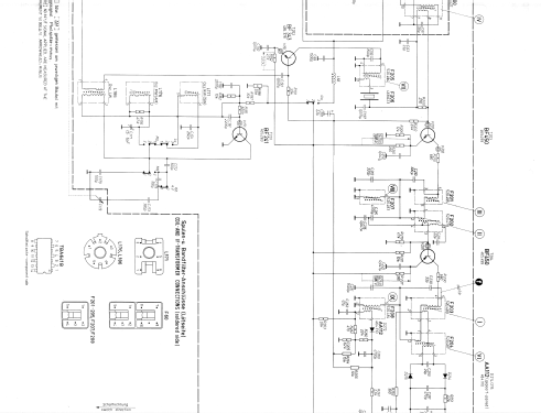
Click on the schematic thumbnail to request the schematic as a free document.
- Number of Transistors
- 7
- Main principle
- Superheterodyne (common); ZF/IF 460/10700 kHz
- Tuned circuits
- 6 AM circuit(s) 9 FM circuit(s)
- Wave bands
- Broadcast, Long Wave, Short Wave plus FM or UHF.
- Power type and voltage
- Alternating Current supply (AC) / 110; 220 Volt
- Loudspeaker
- Permanent Magnet Dynamic (PDyn) Loudspeaker (moving coil) - elliptical
- Power out
- 4 W (unknown quality)
- Material
- Wooden case
- from Radiomuseum.org
- Model: Spectra phonic 4005 974.126A Ch= 774.122D - Nordmende, Norddeutsche Mende-
- Shape
- Tablemodel with Push Buttons.
- Dimensions (WHD)
- 600 x 144 x 156 mm / 23.6 x 5.7 x 6.1 inch
- Notes
- UKW: 87,5 - 108 MHz
KW: 5950 - 6200 kHz
MW: 515 - 1650 kHz
LW: 145 - 350 kHz
Keramik-Filter für AM-ZF.
Den Spectra-phonic 4005/4.126 A gab es in 10 verschiedenen Gehäuseausführungen:
Nußbaum - 874.126.A 05
dunkel - 874.126.A 11
Teak - 874.126.A 16
Rüster - 874.126.A 20
Palisander - 874.126.A 23
spectra-weiß - 874.126.A 31
rot - 874.126.A 57
grün - 874.126.A 64
blau - 874.126.A 69
anthrazit - 874.126.A 73
- Net weight (2.2 lb = 1 kg)
- 3.5 kg / 7 lb 11.3 oz (7.709 lb)
- Price in first year of sale
- 248.00 DM
- External source of data
- Erb
- Source of data
- Katalog RFP 1973
- Mentioned in
- -- Original-techn. papers.
- Other Models
-
Here you find 1763 models, 1650 with images and 1280 with schematics for wireless sets etc. In French: TSF for Télégraphie sans fil.
All listed radios etc. from Nordmende, Norddeutsche Mende-Rundfunk GmbH (Sterling), Bremen-Hemelingen
Collections
The model Spectra phonic 4005 is part of the collections of the following members.