Derby Commander 7.651.561
Blaupunkt (Ideal), Berlin, später Hildesheim
- Country
- Germany
- Manufacturer / Brand
- Blaupunkt (Ideal), Berlin, später Hildesheim
- Year
- 1972–1975
- Category
- Broadcast Receiver - or past WW2 Tuner
- Radiomuseum.org ID
- 902
-
- alternative name: Ideal-Radiotelephon- und App-fabr. || Ideal-Werke AG; Berlin (ab 1934)
- Brand: Rotstern
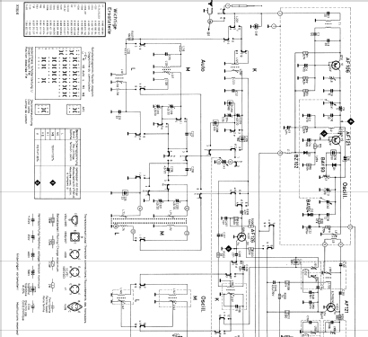
Click on the schematic thumbnail to request the schematic as a free document.
- Number of Transistors
- 12
- Semiconductors
- AF106 AF121 AF121 AF121 AF121 AF126 BC238 BC308 AC153 AC176 G113 AD161 BAY93 BA124 BZ102/1V4 AA119 AA112 V20C2 SFD037 ZF10 B30C300
- Main principle
- Superheterodyne (common); ZF/IF 460/10700 kHz
- Tuned circuits
- 7 AM circuit(s)
- Wave bands
- Broadcast, (BC) Long Wave (LW), 2 x SW and FM or UHF.
- Power type and voltage
- Line / Batteries (any type) / 220 / 6 × 1,5 Volt
- Loudspeaker
- Permanent Magnet Dynamic (PDyn) Loudspeaker (moving coil) / Ø 13 cm = 5.1 inch
- Power out
- 2 W (unknown quality)
- from Radiomuseum.org
- Model: Derby Commander 7.651.561 - Blaupunkt Ideal, Berlin,
- Shape
- Portable set > 8 inch (also usable without mains)
- Dimensions (WHD)
- 314 x 202 x 84 mm / 12.4 x 8 x 3.3 inch
- Notes
-
Bei Betrieb im Auto über Autohalterung HV600 aus 12-V-Autobatterie beträgt die Ausgangsleistung 3 W. Netzbetrieb mit zusätzlichem Netzgerät möglich.
11 Dioden, nur einmal je Type gelistet.
- Net weight (2.2 lb = 1 kg)
- 3.4 kg / 7 lb 7.8 oz (7.489 lb)
- Source of data
- Handbuch VDRG 1972/1973 / Radiokatalog Band 1, Ernst Erb
- Mentioned in
- Katalog RFP 1974
- Literature/Schematics (1)
- -- Original-techn. papers. (Service-Manual, KDB 571.04)
- Other Models
-
Here you find 3612 models, 3305 with images and 2357 with schematics for wireless sets etc. In French: TSF for Télégraphie sans fil.
All listed radios etc. from Blaupunkt (Ideal), Berlin, später Hildesheim
Collections
The model Derby Commander is part of the collections of the following members.