Emigranten-toestel BX638A
Philips; Eindhoven (tubes international!); Miniwatt
- Country
- Netherlands
- Manufacturer / Brand
- Philips; Eindhoven (tubes international!); Miniwatt
- Year
- 1953/1954
- Category
- Broadcast Receiver - or past WW2 Tuner
- Radiomuseum.org ID
- 29966
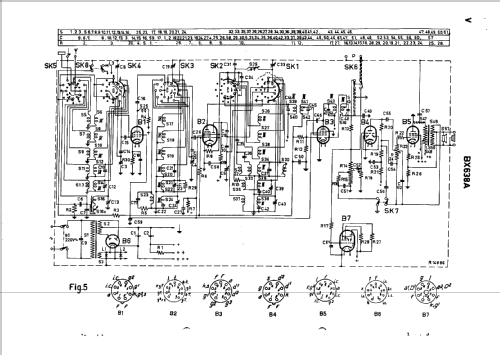
Click on the schematic thumbnail to request the schematic as a free document.
- Number of Tubes
- 7
- Main principle
- Superhet with RF-stage; ZF/IF 452 kHz
- Tuned circuits
- 7 AM circuit(s)
- Wave bands
- Broadcast plus more than 2 Short Wave bands.
- Power type and voltage
- Alternating Current supply (AC) / 90; 110; 125; 145; 200; 220 Volt
- Loudspeaker
- Permanent Magnet Dynamic (PDyn) Loudspeaker (moving coil) / Ø 21 cm = 8.3 inch
- Power out
- 12 W (unknown quality)
- Material
- Wooden case
- from Radiomuseum.org
- Model: Emigranten-toestel BX638A - Philips; Eindhoven tubes
- Shape
- Tablemodel, low profile (big size).
- Dimensions (WHD)
- 550 x 345 x 260 mm / 21.7 x 13.6 x 10.2 inch
- Notes
- 5 KW Bereiche
- Net weight (2.2 lb = 1 kg)
- 11 kg / 24 lb 3.7 oz (24.229 lb)
- Price in first year of sale
- 398.00 Hfl
- Mentioned in
- - - Manufacturers Literature (Philips Mededelingen, 10 November 1953)
- Author
- Model page created by Iven Müller. See "Data change" for further contributors.
- Other Models
-
Here you find 5280 models, 4428 with images and 3461 with schematics for wireless sets etc. In French: TSF for Télégraphie sans fil.
All listed radios etc. from Philips; Eindhoven (tubes international!); Miniwatt
Collections
The model Emigranten-toestel is part of the collections of the following members.