radiomuseum.org

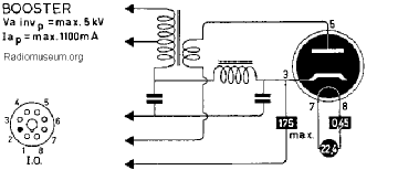
22DE4

Información - Ayuda 
ID = 5654
       
 
   
Tipo:  Damper, booster, flyback diode 
Idéntica a 22DE4
Válvulas similares
Heater different:
  17DE4 ; 6CQ4 ; 6DE4

Base Octal (Int.Octal, IO) K8A, USA 1935
Usada en Radio/TV-reception etc.
Filamento Vf 22.4 Volt / If 0.45 Ampere / Indirect / Specified current AC/DC ~ = (Series working)
Precios de válvulas 2 Precios de válvulas (visible solo para miembros)
Literatura Essential Characteristics, GE 1973   
Tube Tester Data Avo CT160

22de4.png
22DE4: Courtesy Bureau Belper (De Muiderkring, Bussum), Scan Frank Philipse
Karel De Reus †

oc60_g_13.gif 22DE4: RTT Schwandt
Günther Stabe † 19.8.20


Just Qvigstad
Uso en Modelos 1= 1967?

Número de modelos en Radiomuseum.org con esta válvula:1

Colección personal de

Colección personal de un miembro de D
Colección personal de un miembro de FIN
 
22de4~~1.jpg

22DE4
 

[rmxtube-en]
  

Cumplimiento de datos Más información