radiomuseum.org

2N555

Información - Ayuda 
ID = 54964
       
País:
Estados Unidos
Marca: Motorola Inc. (ex Galvin Mfg.Co. Chicago); Schaumburg (IL)
Tipo:  Transistor   Power/Output 
Idéntica a 2N555
Válvulas similares
Substituya normalmente -diferencia peq.:
  AD149 ; ASZ16

Base SPECIAL TUBEBASE in general
Descripción PNP germanium junction transistor intended as AF power amplifier / switch.

Texto en otros idiomas puede diferir
Dimensiones
(Alt,Ancho,Prof.)
incl.pins/tip
40 x 10 x 27 mm / 1.57 x 0.39 x 1.06 inch
Peso 15 g / 0.53 oz
Literatura -- Collector info (Sammler)   KTT 1969/70, TTT 1981 Steidle, Towers ITVL

2n555.png
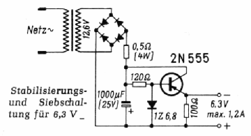
2N555: Funkschau 10/62 S.252
Egon Strampe

to-3_10.gif 2N555
Günther Stabe † 19.8.20

Uso en Modelos 1= 1964 ; 1= 1968?

Número de modelos en Radiomuseum.org con esta válvula:2

Colección personal de

 
2n555_motorola_s.jpg

 

[rmxtube-en]
  

Cumplimiento de datos Más información