Radios
Foro
Documentos
Mercado
Válvulas+T
Sonidos
Radios antiguas y Radios de Colección
AN7910
ID = 74961
Upload & Info
Añadir imagen
Variante
Precio
Texto / Foro
assign Manufacturers/Brands (Wholesalers)
Mi válvulas
Mi colección privada
País:
Japon
Marca:
Panasonic, Matsushita, National ナショナル (also tubes); Osaka
Tipo:
IC - Integrated Circuit Power-supply
Idéntica a
AN7910
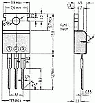
Base
Wires
Descripción
Texto en otros idiomas puede diferir
Dimensiones
(Alt,Ancho,Prof.)
incl.pins/tip
10 x 16 x 4 mm / 0.39 x 0.63 x 0.16 inch
Peso
2 g / 0.07 oz
Literatura
-- Original-techn. papers.
AN7910: Panasonic
Günther Stabe † 19.8.20
AN7910: TTT Steidle 1981
Günther Stabe † 19.8.20
AN7910: Panasonic
Günther Stabe † 19.8.20
Colección personal de
Alois Wolf (D)
[rmxtube-en]
Cumplimiento de datos
Más información
Pie de imprenta
Seguridad de datos
Condiciones de uso
Copyright
FAQ
Acerca de Radiomuseum.org
Contactos
Prensa
Logos
Enviar a un amigo