Königin-von-Saba
SABA; Villingen
- Country
- Germany
- Manufacturer / Brand
- SABA; Villingen
- Year
- 1955/1956
- Category
- Television- and Radio Receiver, perh. also + Rec. etc. (TV Radio)
- Radiomuseum.org ID
- 20387
-
- Brand: Schwer & Söhne, GmbH
Click on the schematic thumbnail to request the schematic as a free document.
- Number of Tubes
- 0
- Valves / Tubes
- PCC84 PCF82 EF80 EF80 EF80 PL83 EF80 ECL80 ECL80 ECC82 PL81 PY83 EY86 EF80 PABC80 PL82 MW53-20
- Main principle
- Superheterodyne (common)
- Wave bands
- Wave Bands given in the notes.
- Details
- Changer (Record changer)
- Power type and voltage
- Alternating Current supply (AC) / 110-240 Volt
- Loudspeaker
- 6 Loudspeakers
- Material
- Wooden case
- from Radiomuseum.org
- Model: Königin-von-Saba - SABA; Villingen
- Shape
- Console with any shape - in general
- Dimensions (WHD)
- 1836 x 1100 x 554 mm / 72.3 x 43.3 x 21.8 inch
- Notes
-
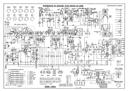
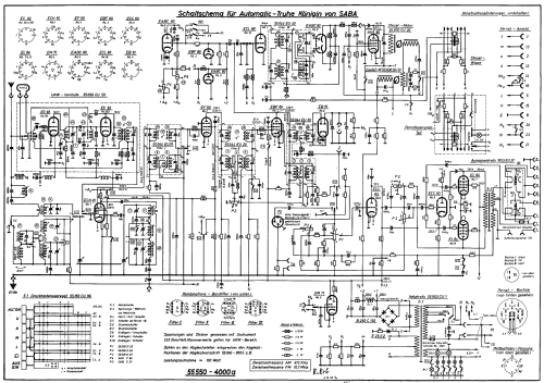
TV-Chassis = Schauinsland T505;
Rundfunk-Chassis = Freiburg-Automatik 6-3D;
Phono-Chassis = Dual 1003Das Handbuch des Rundfunk- und Fernseh-Grosshandels 1955/56 nennt abweichend das Chassis Bodensee-Automatic 3D als Rundfunk-Teil. Der Firmenprospekt Bild ID 2426233 zeigt ebenso eine Skala die dem Bodensee-Automatic entspricht. Insbesonders die UKW-Einteilung ist deutlich abweichend zum Freiburg 6-3D.
Möglicherweise gab es demnach zwei Versionen der Königin von Saba Truhe im Jahrgang 1955/56.
Das Handbuch Rundfunk-Fernsehen-Phono 1955/56 führt dagegen ein "Spezial Rundfunk-Chassis ähnlich dem Freiburg Automatic 6-3D", ebenso zeigt die Saba Service-Dokumentation ein Chassis entspr. dem Freiburg 6-3D.
- Net weight (2.2 lb = 1 kg)
- 196 kg / 431 lb 11.5 oz (431.718 lb)
- Price in first year of sale
- 4,090.00 DM
- External source of data
- Erb
- Source of data
- HdB d.Rdf-& Ferns-GrH 1955/56
- Mentioned in
- Katalog Thiele,Helmstedt 1955/56 (Rundfunk-Phono-Fernseh-Katalog S.122)
- Other Models
-
Here you find 1652 models, 1511 with images and 1191 with schematics for wireless sets etc. In French: TSF for Télégraphie sans fil.
All listed radios etc. from SABA; Villingen
Collections
The model Königin-von-Saba is part of the collections of the following members.