Abgleich von UHF-Tunern
Abgleich von UHF-Tunern
Abgleich von UHF-Tunern
Jeder Kundendienst wird seine erste Aufgabe darin sehen, fehlerhafte Fernsehempfänger schnellstens wieder instand zu setzen. Neben der normalen Fehlersuche war es bisher schon üblich, falls erforderlich, den Abgleich der Zwischen- und Tonfrequenz vorzunehmen. Die Ausrüstung mit Meßgeräten ist hierfür auch allgemein vorhanden. Mit der Einführung des 2. Programms und der hierzu benötigten UHF-Tuner kommt nun eine weitere Aufgabe hinzu.
Um nicht gleich jeden ausgefallenen Tuner in die Niederlassung bzw. in das Werk einschicken zu müssen, ist es im Interesse eines kurzfristig arbeitenden Kundendienstes oftmals einfacher, den Tuner selbst zu reparieren und nötigenfalls abzugleichen. Im Prinzip ist der Abgleich technisch leichter durchführbar als bei den VHF-Tunern, da hier eine kontinuierliche Abstimmung vorhanden ist und die sonst beim Abgleich der Trommeltuner benötigten Kanalfrequenzen nicht erforderlich sind. Dagegen gilt wle bei jedem Abgleich, daß die entsprechenden Meßgeräte vorhanden sein müssen. Ein Behelfsabgleich ohne Instrumente sollte auf jeden Fall unterbleiben. Die Industrie bietet bereits preisgünstige UHF-Wobbelsender mit eingebautem Markengeber an, die eine für den Abgleich ausreichende Genauigkeit haben und mit dem ein erforderlicher Abgleich durchgeführt werden kann. Es wird bei der ständig wachsenden Zahl der mit UHF-Teilen ausgerüsteten Geräte kaum zu umgehen sein, sich mit der Reparatur und dem Abgleich dieser Teile selbst zu befassen.
Um unnötiges Experimentieren zu vermeiden, wollen wir dem Techniker eine Anleitung für den Abgleich in die Hand geben. Zugrunde liegt hier der NSF-Tuner, doch gilt sie grundsätzlich für alle Tuner ähnlicher Konstruktion.
Es ist selbstverständlich, daß bei allen Arbeiten an UHF-Tunern die Kenntnis der elektrischen Funktionen die wichtigste Voraussetzung bildet. Ohne diese kann leicht zusätzlicher Schaden angerichtet werden, wie leider die Praxis immer wieder beweist.
A. Meßgeräte und Zubehör för den Abglelch
Zur dynamischen Aufnahme der Durchlaßkurve ist ein spezieller UHF-Wobbelsender erforderlich, der den gesamten UHF-Bereich von 470 bis 790 MHz mit genügender Reserve an den Bandgrenzen überstreicht. Der Hub sollte mindestens 20 MHz betragen, die Ausgangsspannung am 60 Ω-Ausgang muß > 200 mV sein.
HP-Markengeber
Er ist in der Regel mit dem Wobbelsender in einem gemeinsamen Gehäuse untergebracht. Seine Frequenzgenauigkeit muß sehr groß sein, um die Bandgrenzen entsprechend kontrollieren und gegebenenfalls nachgleichen zu können. Häufig werden hierfür passive Topfkreise hoher Güte und Konstanz verwendet.
Oszillograph
Da die Verstärkung des UHF-Tuners kleiner ist als die des VHF-Tuners, muß die maximale Ablenkempfindlichkeit des Vertikalverstärkers des Oszillographen so groß sein, daß das Bild der Kurve genügend groß ausgeschrieben wird. Hierbei ist der Eingang in der Regel auf die Stellung »Schmalband« zu schalten und ohne Tastteiler anzuschließen, um die größte Ablenkempfindlichkeit zu erhalten.
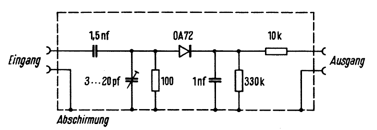
HF-Diodentastkopf
Zur Auskopplung und Gleichrichtung des verstärkten HF-Signals dient der HF-Tastkopf, der nach dem Stromlauf (Bild 1) leicht selbst hergestellt werden kann und an dessen Ausgang der Oszillograph angeschlossen wird.
Bild 1 Schaltung des Diodentastkopfes
ZF-Markengeber
Um die Mittelfrequenz und die Höckerfrequenzen der gewobbelten Bandfilterkurve bestimmen zu können, wird ein ZF-Markengeber benötigt, wie er schon zum Abgleich der Bild-ZF verwendet wird. Die Ausgangsspannung des Markengebers wird an den ZF-Ausgang des UHF-Tuners gelegt und der Filterkurve zugesetzt. Die Frequenzen liegen im Bereich von 30 bis 40 MHz (Bild 4).
Bild 4 Wobbel-Kurve mit Toleranzangaben und ZF-Marke
Stromversorgung
Falls der UHF-Tuner nicht im Gerät eingebaut gemessen werden kann, ist ein gesonderter Netzteil mit einer Anodenspannung Ua = 175 V und einer Heizspannung von etwa 7,5 V, einstellbar auf 300 mA, erforderlich. Bei Tunern mit automatischer Abstimmung muß die vorgeschriebene Grundvorspannung der Reaktanzdiode mit einer regelbaren. Vorspannungsbatterie eingestellt werden. Sie beträgt bei den Geräten TL953, FT195 und FT216 +6,25 V. Bei häufigen Arbeiten an ausgebauten UHF-Teilen ist es ferner zweckmäßig, sich eine Aufnahmevorrichtung herzustellen, die das Arbeiten wesentlich erleichtern hilft.
B. Aufbau des Meßplatzes
Bild 2 Meßaufbau für den UHF-Abgleich
Der Aufbau des Meßplatzes (Bild 2) ist sehr sorgfältig vorzunehmen. Der Wobbelsender wird zweckmäßig über einen Symmetrierübertrager 60/240 Ω auf den Antenneneingang des Tuners eingespeist. Man kann jedoch auch das Kabel direkt an den Punkt legen, an dem sich der zuvor abzulötende Innenleiter der Umwegleitung befand. Die Schirmung des Kabels wird kurz mit dem Tunergehäuse verbunden (Kabelschelle oder Masselötöse). Der Diodentastkopf wird an den durch die zu entfernende Abdeckkappe geschirmten Meßpunkt gelegt und ebenfalls eine kurze Masseverbindung hergestellt (Vorsicht! Der Meßpunkt führt bei Betrieb Anodenspannung). Der ZF-Markengeber kann bei den UHFTuner-Typen FU19, FU20 sowie 6 Fese sch 10 a, b und c unmittelbar an den ZF-Ausgang des Tuners (Anschlußpunkt V) gelegt werden, da diese Tuner nur einen ZFKreis eingebaut haben. Zuvor ist die gegebenenfalls vorhandene ZF-Leitung abzulöten. Bei hochohmigen Markengeber-Ausgängen ist zusätzlich ein Dämpfungswiderstand von 60 Ω gegen Masse zu legen.
Die Netzversorgung des UHF-Teils erfolgt an den vorgesehenen Punkten I bis IV (Bild 3). Nur bei Tunern mit Abstimmautomatik muß zusätzlich der Anschluß VI auf Masse gelegt und am Pluspol des 2 uF-Elektrolytkondensators die erforderliche Grundvorspannung von + 6,25 V angeschlossen werden. Bei Arbeiten im eingebauten Zustand ist die Automatik abzuschalten.
Bild 3 Tuner-Anschlüsse, Ströme und Spannungen
Die nach der Inbetriebnahme des Meßaufbaues nunmehr erhaltene Durchlaßkurve (Bild 4) wird durch den Oszillator auf die Zwischenfrequenz umgesetzt, so daß zur Kontrolle der richtigen Frequenz des Oszillators die Bandfilterkurve durch Einblenden des ZF-Markengebers auf die Mittelfrequenz der Kurve bei 36,15 MHz möglich ist.
C. Kontrolle und Abgleich des Tuners
Die Kontrolle und der Abgleich setzen einen mechanisch und elektrisch einwandfreien Tuner voraus und sollen nur bei geschlossenem Tunergehäuse vorgenommen werden. Zunächst werden der überstreichbare Bereich von 470 bis 790 MHz, die Höcker-abstände von etwa 6 bis 10 MHz, die Einsattelung und die mögliche Schräglage der Kurve (Bild 4) kontrolliert.
Die Bandgrenzen bei 470 und 790 MHz lassen sich mit den Knotentrimmern des Oszillators (Bild 3) einstellen. Man beginnt bei eingedrehtem Drehkondensator mit der tiefen Frequenz und stellt mit dem Trimmer U3 den Oszillator so ein, daß die ZF-Marke 36,15 MHz in der Mitte der eingesattelten Bandfilterkurve liegt. Danach wird bei ausgedrehtem Kondensator die hohe Frequenz mit dem Trimmer O3 eingestellt. Der Gleichlauf des Oszillators soll hierbei kleiner ± 1,5 MHz, über dem gesamten Bereich gemessen, sein.
Die Bandfilterkurve wird am unteren Bandende mit den Trimmern U1 und U2 und mit den Trimmern O1 und O2 am oberen Bandende symmetrisch zur Mittelfrequenz 36,15MHz eingestellt. Der Abgleich ist über den gesamten Bereich zu kontrollieren und gegebenenfalls nochmals etwas zu korrigieren. Fehler innerhalb des Bereiches lassen sich nur durch vorsichtiges Biegen der gefiederten Platten des Drehkondensators beheben. Man sollte diesen Eingriff nach Möglichkeit vermeiden, da nur zu leicht grobe Abstimmfehler und sogar Beschädigungen des Drehkondensators eintreten können. Nach bisherigen Erfahrungen genügt im allgemeinen der Abgleich an den Bandgrenzen, um dann über dem ganzen Bereich innerhalb der zulässigen Toleranz zu bleiben. Ist die Kurve zu breit und zu stark eingesattelt, muß man die Koppelschleife der selbstschwingen den Mischstufe vorsichtig etwas näher an den Mittelleiter des Sekundärkreises heranbiegen. Sollte die Kurve zu schmal sein und keine Einsattelung aufweisen, so verfährt man umgekehrt, indem die Koppelschleife etwas weggebogen wird. Keinesfalls darf hierbei das Koppelblech an den Lötfahnen der Röhrenfassung verbogen werden, da sonst der Rückkopplungsgrad der Oszillatorstufe beeinträchtigt wird. Nach dem Einstellen der Koppelschleife wird der Sekundärkreis mit den Knotentrimmern an den Bandgrenzen nachgeglichen. Korrekturen am Drehkondensator sind nur geringfügig über dem gesamten Band erforderlich.
Bei Automatik-Tunern ist zu beachten, daß die Auskoppelschleife in der Oszillatorkammer nicht verbogen wird, da hierdurch die Schwingsicherheit des Oszillators in Frage gestellt werden kann. Eine Funktionsüberprüfung der automatischen Abstimmung läßt sich durch Variieren der Grundvorspannung von 0 bis etwa +15 V vornehmen. Hierbei muß sich die ZF-Marke 36,15 MHz auf der Kurve verschieben lassen. Andernfalls besteht der Verdacht, daß die Reaktanzdiode BA 101 schadhaft ist.
Bei Neuabgleich eines völlig vertrimmten Tuners muß beim Abgleich des Oszillators (fo) darauf geachtet werden, daß fz = fo — fe ist, das heißt, daß dieser oberhalb
der Empfangsfrequenz (fe) schwingt. Diejenigen Marken 36,15 MHz (fe), die beim Drehen der Trimmer U3 und O3 auf der Kurve erscheinen, sind jeweils richtig, bei denen die Trimmer die kleinere Kapazität haben (am weitesten herausgedreht sind).
D. Abglelch des Zwlschentrequenzkrelses
Der Abgleich des ZF-Kreises wird am besten im eingebauten Zustand im Empfänger vorgenommen. Die ZFSpannung wird über eine Kapazität von etwa 1 pF an dem ZF-Meßpunkt angekoppelt. Der Kreis wird auf normgerechten Amplitudengang der ZF-Durchlaßkurve abgeglichen. Der Drehkondensator soll hierbei etwa halb herausgedreht sein, die Umschaltung des Empfängers muß auf UHF stehen. Bei Empfängern der Luxusklasse ist beim Abgleich im eingebauten Zustand auch die Trimmereinstellung des ZF-Leitkreises zu kontrollieren.
Quelle: Siemens Werkstatt-Praxis März 1962
Anlagen:
- Siemens_AbglUHFTuner_1 (5 KB)
- Siemens_AbglUHFTuner_2 (11 KB)
- Siemens_AbglUHFTuner_3 (20 KB)
- Siemens_AbglUHFTuner_4 (12 KB)
- Siemens_AbglUHFTuner_5 (9 KB)
Für diesen Post bedanken, weil hilfreich und/oder fachlich fundiert.