Eigenbau 9 Rö.-Bigrille-Super mit HF-Vorstufe und Gegentakt

9
ID: 552415
Eigenbau 9 Rö.-Bigrille-Super mit HF-Vorstufe und Gegentakt 
15.Mar.21 20:39
2106
9

Ralf Keil (D)
Beiträge: 522
Anzahl Danke: 13

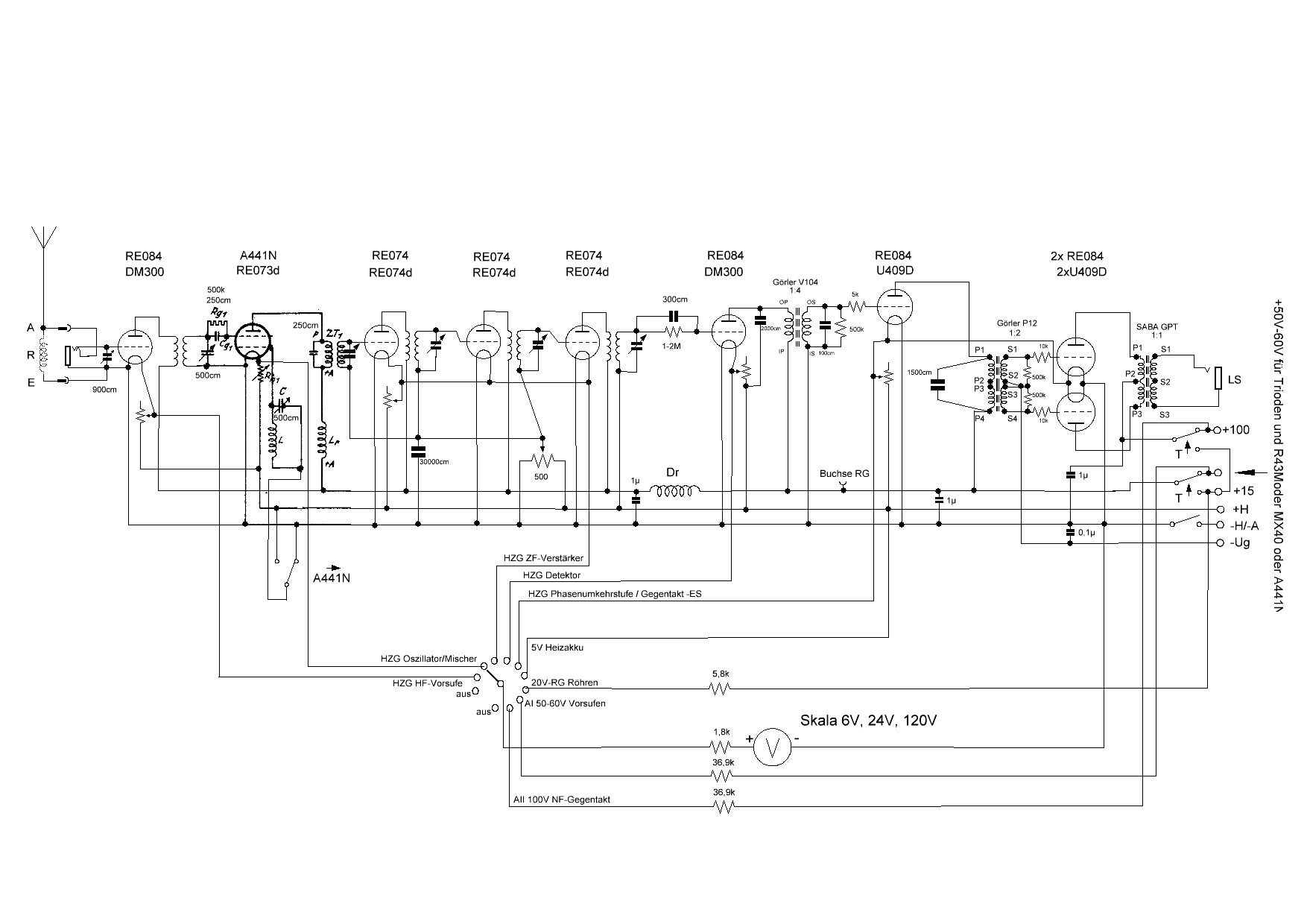
Dieser ist nun der 3. und letzte Eigenbau-Super, ein Gerät mit Bigrille, nach französischer Bauart um 1928-1930. Ich habe ihn vor etwa einem Jahr gebaut.

Besonderheiten sind die HF-Vorstufe und ein Gegentakt-NF-Verstärker. Er kann auch durchweg mit Raumladegitterröhren bestückt werden, auch das funktioniert gut mit nur 12 Volt. So kann man ihn mit normalen Bleiakkus betreiben. Der Hintergrund war allerdings nur die Funktionsfähigkeit fest zu stellen. Normal wird er mit den üblichen Standardtrioden der Zeit und einer Mischröhre wie der A441N, MX40, oder R43M betrieben, aber auch eine RE074d wäre hier möglich.

Die im Plan eingezeichneten Umschalter können von der Rückseite mit einen Hebel der mit einem 4 fach Umschalter verbunden ist geschaltet werden. Die RG-Röhren benötigen +H , die A441N und ihre Verwandten -H für optimale Funktion des Oszillators.

Man beachte das im Schaltplan die Raumladegitter für den Betrieb mit diesen Röhren nicht eingezeichnet sind, lediglich die Buchse "RG" ist enthalten.

Das schöne Gehäuse mit einigen Teilen, darunter auch drei Klinkenbuchsen mit Umschaltern waren für 40€ dabei. Die Frontplatte wurde trotz vieler Bohrungen und eines Bruches wieder verwendet, unpassende Löcher decken die großen Knöpfe ab, einige wurden genutzt.

Als ZF-Einheit wurde ein Schaleco-Superformer II verwendet, auf 75kHz eingestellt. Alle Teile stammen aus dem Fundus.

Da das Gehäuse recht klein ist musste eng gebaut werden und es wurden einige Massnahmen zur Störunterdrückung in der NF durchgeführt. Man sieht es im Schaltplan, einige Kondensatoren und Widerstände. Das wäre nicht unbedingt nötig gewesen aber die Störungen sind jetzt fast vollständig verschwunden, was der Wiedergabe zugute kommt.

Um alles unter zu bringen hat das Radio 2 Ebenen, unter den Röhren und dem Superformer befinden sich auch noch Bauteile. Es wurden zur Abstimmung Flachdrehkos verwendet, andere Modelle hätten keinen Platz gefunden.

Alles war durch die Enge schwierig zu verdrahten, die Frontplatte ist mit dem Chassis  durch ein Klavierband verbunden, so konnte es während des Aufbaus geschwenkt werden, andernfalls wäre es nahe zu unmöglich gewesen alles anzuschließen.

Die Empfangsleistung ist sowohl mit Rahmen als auch mit Draht gut, bei Heimmodulator extrem laut, hier muss der Eingangskreis verstimmt und die ZF-Verstärkung auf minimal gestellt werden. Mit RG-Röhren ist der Empfang generell leiser.

Am Draht wird, wie auf dem Bild zu sehen, an der Frontplatte eine Steckspule benötigt, diese Löcher waren schon vorhanden und konnten so weiter genutzt werden.

Das Radio arbeitet ordentlich, ich bin zufrieden. Die Befürchtung das alles zu dicht gepackt ist und es massive Störungen gibt hat sich glücklicher Weise nicht bestätigt.

Was noch auffiel ist ein "Nachziehen" des Oszillators beim Einstellen einer anderen Frequenz. Hier beeinflussen sich die beiden Gitter. Bigrille-Super hatten immer Feintriebdrehkos zur Sender- und Oszillator-Abstimmung. Das Verhältnis beider muss für guten Empfang penibel eingestellt werden. Dieser Nachteil hat wohl auch zur Entwicklung der Misch-Oktode geführt bei der diese beiden Gitter über Schirmgitter getrennt sind und dieser Effekt unterbunden werden konnte.

Ich möchte an dieser Stelle noch Wolfgang Holtmann danken, ein Fachmann für RG-Röhren und Bigrilles !

Hier noch einige Bilder:

Rohbau, Bigrille-Fassung ist Eigenbau, Darunter HF-Koppler nach Vorstufe:

 

Das fertige Gerät, die Oszillatorspulen sind vom Radiomann:

 

Frontansicht:

Anlagen:

Für diesen Post bedanken, weil hilfreich und/oder fachlich fundiert.