grundig: Grundig RR 660 Stereo

ID: 402211
? grundig: Grundig RR 660 Stereo 
02.Aug.16 14:51
31

Peter Faulstich (D)
Beiträge: 83
Anzahl Danke: 15

hallo,

beim Grundig RR 660 Stereo befindet an der Rückwand ein Schiebeschalter mit den Stellungen O-S-C

Bitte um eine Information zu der Funktion dieses Schalters.

Vielen Dank und freundliche Grüße

Peter Faulstich.

Für diesen Post bedanken, weil hilfreich und/oder fachlich fundiert.

 2
Oszillatorfrequenz 
02.Aug.16 16:38
31 de 3641

Andreas Steinmetz (D)
Redakteur
Beiträge: 751
Anzahl Danke: 12

Der Schalter dürfte S105 im Schaltplan Nr. 4 links unten beim Löschoszillator sein. Mit diesem kann die Frequenz des Lösch- und Vormagentisier-Oszillators verändert werden, indem dem Oszillatorkreis verschiedene Kapazitäten parallelgeschaltet werden. Das Ganze dient dazu, bei Aufnahme eines UKW-Senders auf Cassette die Vormagnetisierungsfrequenz so zu legen, dass Interferenzen mit dem Stereo-Signalanteil (Pilotton und moduliertes Differenzsignal sowie weitere Produkte aus dem Stereo-Decoder) vermieden werden, denn diese Signalanteile werden bei vielen Geräten oft nur mäßig unterdrückt.

Für diesen Post bedanken, weil hilfreich und/oder fachlich fundiert.

 3
Löschoszillator 
02.Aug.16 16:43
35 de 3641

Giovanni Cucuzzella (D)
Redakteur
Beiträge: 518
Anzahl Danke: 15

Hallo Herr Faulstich,

solch einen Schalter haben z. B. auch die Grundig-Modelle RR2000 und RR3000 Stereo. Laut Grundig Technische Informationen 3/82 Seite 127 dient dieser bei genannten Modellen "... zum Verstimmen des Löschoszillators (Ausblenden von Pfeifstörungen, welche durch Oberwellen beim Aufnehmen im AM-Bereich entstehen können)...".
Beim RR660 Stereo müsste das im Schaltbild der Schalter S105 sein. Dieser hat die drei Stellungen "Aus" und Parallelkapazität 3,9 nF bzw. 18 nF am Löschkopf.

Freundliche Grüße

Giovanni Cucuzzella

Für diesen Post bedanken, weil hilfreich und/oder fachlich fundiert.

 4
Interessant! 
02.Aug.16 16:46
41 de 3641

Andreas Steinmetz (D)
Redakteur
Beiträge: 751
Anzahl Danke: 13

Ich war immer davon ausgegangen, dass solch ein Schalter gegen Störungen beim Aufnehmen einer FM-Stereo-Sendung hilft, aber was jetzt als Hilfe gegen Störungen beim Aufnehmen von AM-Sendungen belegt ist, erscheint mir noch viel einleuchtender. Besten Dank; wieder etwas dazugelernt!

Für diesen Post bedanken, weil hilfreich und/oder fachlich fundiert.

 5
Grundig RR 660 Stereo 
02.Aug.16 17:23
60 de 3641

Peter Faulstich (D)
Beiträge: 83
Anzahl Danke: 15

hallo,

vielen Dank für die erklärenden Antworten auf meine Frage.

Möchte noch eine ergänzen:

Habe für die Arbeit die Grundig-Serviceanleitung 2/84. Diese beinhaltet u.a. einen Schaltplan.

Gibt es zu diesem Gerät auch einen Lageplan der Bauteile?

 

Herr Cucuzzella erwähnte - Grundig Technische Informationen 3/82

kann man diese Unterlagen downloaden?

 

Grüße

Peter Faulstich

 

Für diesen Post bedanken, weil hilfreich und/oder fachlich fundiert.

 6
Lagepläne 
02.Aug.16 17:41
69 de 3641

Giovanni Cucuzzella (D)
Redakteur
Beiträge: 518
Anzahl Danke: 13

Hallo Herr Faulstich,

die Grundig Technische Informationen 3/82 werden Ihnen kaum nützlich sein, denn darin wird das Modell RR660 nicht behandelt.

Beim Modell RR660 sind doch alle Lagepläne vorhanden. Es sind insgesamt 17 Pläne, darunter auch die Platinen-Layouts mit Bestückungsaufdruck. Ganz nach unten scrollen und auf "Nächste Pläne" klicken oder oben auf "Unterlagen" und dann auf "Alle Pläne (17)" gehen.

Freundliche Grüße

Giovanni Cucuzzella

Für diesen Post bedanken, weil hilfreich und/oder fachlich fundiert.

 7
Grundig RR 660 Stereo 
02.Aug.16 19:14
103 de 3641

Peter Faulstich (D)
Beiträge: 83
Anzahl Danke: 13

hallo,

ja ja, auf die Idee, weiter runter zu schauen hätte ich auch selbst kommen können - vielen Dank!

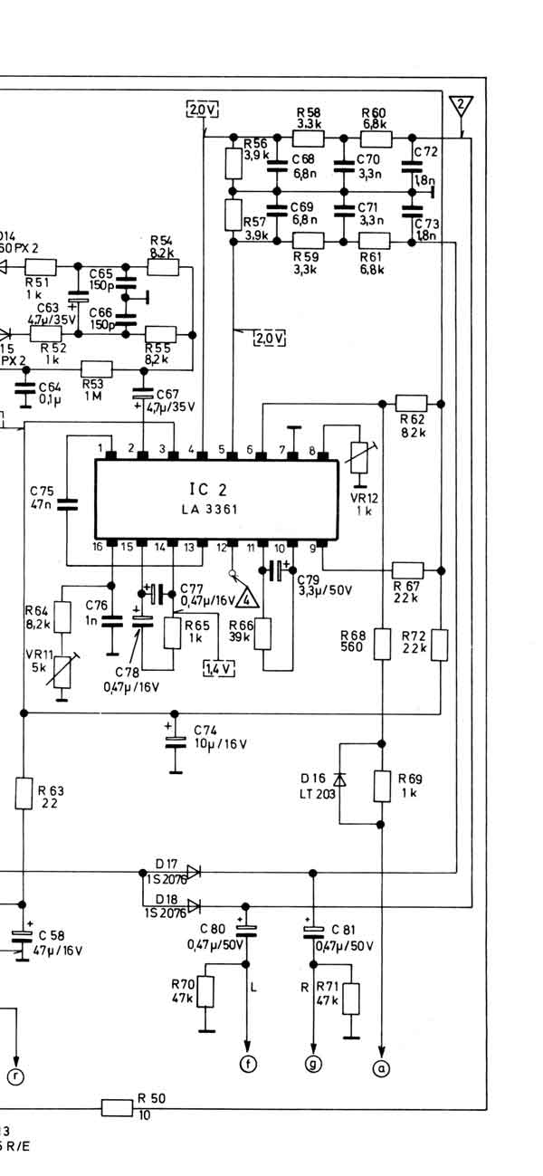
Nun ergibt sich aber daraus der Grund meiner Neugierde: Es geht um die Teile F2 und F3 (Anlage). Habe diese im Gerät für Keramikfiter AM gehalten - das war aber wohl ein Trugschuss. Welche Funktion haben diese Teile und was kann man alternativ an heute verfügbaren Teilen einbauen? Beide sind nicht mehr in Originalstellung (beschädigt verbogen). FM ist nur im Hintergrund zu hören. Aufgrund der schaltungstechnischen Lage ist ein Zusammenhang wohl naheliegend - oder?

Danke

Peter Faulstich

 

Anlagen:
  • SP (119 KB)

Für diesen Post bedanken, weil hilfreich und/oder fachlich fundiert.

 8
Tiefpass-Filter 
02.Aug.16 20:38
125 de 3641

Giovanni Cucuzzella (D)
Redakteur
Beiträge: 518
Anzahl Danke: 19

Hallo Herr Faulstich,

dem Datenblatt des LA3361 nach handelt es sich um Tiefpass-Filter. Welche in Ihrem Modell eingebaut sind weiss ich leider nicht. Das Datenblatt nennt in einem Anwendungsbeispiel den Typ BL-13 von Korin Giken. Auf Seite 5 finden sich dann weitere Beispiele, zwei diskret aufgebaute Filter und ein weiteres integriertes Filter Twin TEE M505F von Taiyo Yuden.

Vielleicht hilft Ihnen diese Info etwas weiter. Ich denke aber, dass sich noch ein Grundig-Spezialist zu dieser Thematik äußern wird.

Freundliche Grüße

Giovanni Cucuzzella

 

Für diesen Post bedanken, weil hilfreich und/oder fachlich fundiert.

 9
Diskret aufgebaute Filter 
03.Aug.16 07:52
170 de 3641

Giovanni Cucuzzella (D)
Redakteur
Beiträge: 518
Anzahl Danke: 14

Hallo Herr Faulstich,

Ich habe mir noch einige andere Schaltungen von Grundig-Geräten der RR-Serie angeschaut. Wie aus dem Schaltbildauszug der Modelle RR720 und RR750 (Grundig Service Anleitung 5/81 RR 621, RR 640, RR720, RR 750) zu ersehen ist, wurden die Filter dort noch diskret aufgebaut (gilt auch für die Modelle  RR 621 und RR 640).
Vielleicht ein Ansatz falls die originalen Filter F2 / F3 nicht zu beschaffen sein sollten.

Freundliche Grüße

Giovanni Cucuzzella

Anlagen:

Für diesen Post bedanken, weil hilfreich und/oder fachlich fundiert.