grundig: SV200; Replacement for a Zener Diode Z503
? grundig: SV200; Replacement for a Zener Diode Z503

Question received per Email:
One of our member is looking for a replacement Zener Diode Z503 on the schematics attached. On the diode itself NT 9838 can be read.
Thank you in advance for your support.
Attachments:To thank the Author because you find the post helpful or well done.
Replacements

Hello.
I recommend as substitute on SV140 and SV200.
Zener Diode Z503:
2 pieces Zener diode BZY97-33 in Series-Connection.
That makes: ( 2x 31 to 35V) = 62V to 70 Volts at the Basis from T515
Or 1 piece of 1N3040 B
That makes
68 Volts of +/- 5 % = ( 64,6 to 71,4 Volts ) at the Basis from T515
Hans M. Knoll ex GRUNDIG
To thank the Author because you find the post helpful or well done.
Thank you Mr. Knoll and additional question

(Translated from French)
I would like to thank Mr. Knoll very much for the answer he has posted on the forum regarding the zener diode Z503 of the GRUNDIG SV200 amplifier.
It seems that the recommended diodes are impossible to find here and on the internet sites I have looked at, and would be replaced by ZPY68 (1,3 W) or model 1N5373B (5W).
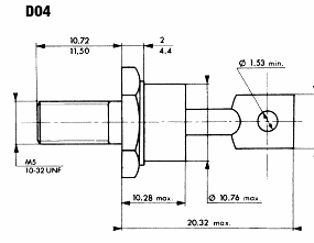
The SV200 amplifier that I have seems to be one later model containing a N 9838 (10W) in a DO4 enclosure fixed with a bolt on the chassis, and seems to be an original one.
Perhaps it is a modification that was done on this last model serial # 15117 from 1972.
Thank you in advance for your appreciated support.
B. Rétif
To thank the Author because you find the post helpful or well done.
Zener
According to the posted plan, the part should be 56V-60V at 1 Watt
It may be easier to find two 28V-30V at 0.5 Watt. Or three 20V 0.5 Watt.
Search "Zener"
Semiconducteurs - Composants discrets
56V 1 W
Look for parts with legs (not surface-mount)
1097262
NXP - BZV85-C56 - DIODE ZENER 1.3W 56V
Code commande: 1097262
Référence fabricant: BZV85-C56
DIODE ZENER 1.3W 56V
Tension, Vz: 56V
Type de boîtier diode: DO-41
4092 en stock pour une livraison le jour ouvrable
Quantité minimum: 5
Prix Unitaire HT: 0,35 €
> containing a N 9838 (10W) in a DO4 enclosure fixed with a bolt on the chassis
There is a simpler circuit possible. The transistor T515 is omitted. The "2,7K" is made lower, perhaps 100 ohms power resistor. Then the Zener must be several Watts.
1672863
Code commande: 1672863
Référence fabricant: 1N3000B
ZENER DIODE, 10W, 62V, DO-4
Diode Case Style: DO-4
Disponibilité: 10 Stocké aux USA
Prix Unitaire HT: 14,75 €
Be sure which circuit it is-- small Zener and a pass-transistor, or big Zener with no transistor.
To thank the Author because you find the post helpful or well done.
Thanks to all for the help

In the name of our Email contact, thank you to you both for your appreciated support.
To thank the Author because you find the post helpful or well done.