Kosmos-Radiobaukasten 1935 XXL
Kosmos-Radiobaukasten 1935 XXL
Da der Kosmos Radiobaukasten die letzten Jahre unbeachtet herumlag, beschloss ich etwas damit zu bauen. Vor Jahren habe ich mal das Audion verdrahtet , dann wurde wieder alles eingepackt.
Was mich störte war das so nur Kopfhörerlautstärke möglich ist und es entstand die Idee alles mit einem NF-Verstärker im Stile des Baukastens zu erweitern. Materialsichtung und los...
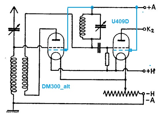
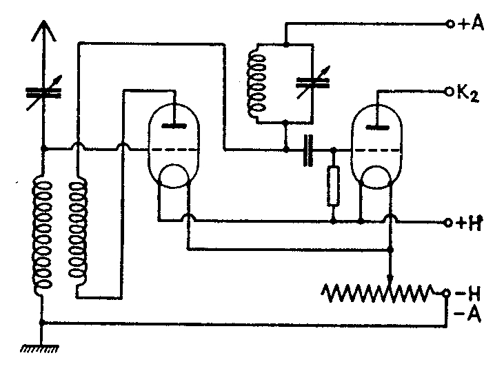
Ich habe hier den Bauvorschlag Audion mit HF-Vorsufe aus dem Kasten aufgebaut ( DM300 und U409d).
Ein Drehkondensator ist Eigenbau im Stile des Baukastens, die benötigte weitere Spule zur Audionabstimmung ist von "Dr. Lertes". Dazu kommt ein NF- Vorverstärker mit RE073d , danach eine Gegentakt- Endstufe mit 2x RE074d. Damit war der Vorrat an Raumladegitter-Röhren ausgeschöpft.
Zuerst war nur der Gegentakt-Verstärker angeschlossen, hat aber noch nicht ausgereicht, so kam der Vorverstärker noch hinzu.
Das Ergebnis ist jedenfalls das jetzt gute Lautstärke am LS (Telefunken Arcophon 8) anliegt und ich konnte Modulationsgrad und Kompression am Sender ( SS-Tran AMT5000 ) wieder auf moderate Werte einstellen, was der Wiedergabequalität zu Gute kommt.
Verdrahtet wurde mit starrem 0,8mm Cu-Draht, durchweg mit Schraubklemmen. Der Eingangsübertrager ist ein Görler V104 (1:4), dann ein Görler-P12 Phasenumkehrtrafo (1:2) und ein Saba GPT (1:1) als AÜ.
Versorgt wird das Ganze aus 10 LR20 für die 15V und einem Heizakku 6V. Der hat zu- und abschaltbare Schottky-Dioden eingebaut um auf jede Heizspannung einstellen zu können.
Übrigens: Der Kosmos Radio-Baukasten ist nicht gleich dem Kosmos-Radiomann, der ist etwas einfacher gehalten, hat weniger Experimente und bietet keine Aufbaumöglichkeit für zwei Röhren.
Pläne:
Anlagen:
- Pläne (82 KB)
- Radiomann_VV (65 KB)
- Gegentakt_Radiomann (149 KB)
Für diesen Post bedanken, weil hilfreich und/oder fachlich fundiert.
Kosmos-Radiobaukasten 1935 XXL

Hallo Ralf
Schön, dass mal wieder die alten Radio Baukästen von Kosmos in Erinnerung gebracht werden...
Wie wir das von Dir gewohnt sind, hast Du einigen Aufwand betrieben, um doch noch Lautsprecherwiedergabe zu ermöglichen. Meine Hochachtung!
Nun kann ich mir vorstellen, dass einige Leser beim Anschauen der Eingangsschaltung in Verwirrung geraten, weil dort zwei Trioden abgebildet, aber in Wirklichkeit zwei Raumladegitterröhren eingesetzt sind.
Auch das Anleitungsheft lässt das fadennahe Raumladegitter manchmal weg, weil es nur eine Hilfsfunktion ausübt und vielleicht die Leser verwirren könnte. Ebenfalls fraglich ist die Bezeichnung g2. Richtig ist g1 und g2 ist dann das Steuergitter! Ja, so war das damals mit den Raumladegitterröhren....
Für diesen Post bedanken, weil hilfreich und/oder fachlich fundiert.
Kosmos-Radiobaukasten 1935 XXL
Vielen Dank Wolfgang, so ist der Schaltplan vollständig. Wer diese Röhren nicht kennt kann hier tatsächlich verwirrt werden.
Für diesen Post bedanken, weil hilfreich und/oder fachlich fundiert.
Kosmos-Radiobaukasten 1935 XXL
Diese Röhre habe ich in ebay- USA gekauft. Sie kam von einem Händler in Orlando/Florida.
Auf dem Anleitungzettel "Für Hans"
In der Lasche die leider etwas zerfallen ist, ich habe sie mit Pritt-Stift vorsichtig geklebt, handschriftliches Datum vom 10.Juni 1938 und der Stempel der Franckhschen Verlagsbuchhandlung.
Möglicherweise war die Röhre ja ein Geschenk. Interessant wäre auch wie sie in die USA kam.
Unter dem Bild ist noch die Tracking History. Eine wahre Odyssey. 2x über den Großen Teich, Canada usw. Gestern ist sie aber topfit angekommen und der 15Volt RG-Superhet rückt ein Stück näher.
Tracking History
February 13, 2020, 8:24 am
Departed
FRANKFURT, GERMANY
Your item departed a transfer airport in FRANKFURT, GERMANY on February 13, 2020 at 8:24 am. The item is currently in transit to the destination.
February 12, 2020, 5:52 pm
Departed
DETROIT, UNITED STATES
February 12, 2020, 12:01 am
Departed
CHICAGO, UNITED STATES
February 11, 2020, 5:48 am
Arrived
CHICAGO, UNITED STATES
February 11, 2020, 3:56 am
Processed Through Regional Facility
CHICAGO IL INTERNATIONAL DISTRIBUTION CENTER
February 10, 2020, 5:31 pm
Departed USPS Regional Facility
CHICAGO IL INTERNATIONAL DISTRIBUTION CENTER
February 10, 2020, 5:31 pm
Arrived at Regional Facility
CHICAGO IL INTERNATIONAL DISTRIBUTION CENTER
February 10, 2020
In Transit to Next Facility
February 8, 2020, 8:49 pm
Arrived at USPS Regional Facility
CHICAGO IL INTERNATIONAL DISTRIBUTION CENTER
February 8, 2020, 2:36 pm
Processed Through Facility
ISC CHICAGO IL (USPS)
Origin Post is Preparing Shipment
February 6, 2020, 8:01 pm
Arrived at Facility
CANADA
January 25, 2020, 10:35 am
Departed
FRANKFURT, GERMANY
January 24, 2020, 7:40 pm
Departed
NEW YORK, UNITED STATES
January 24, 2020, 7:28 am
Departed
FORT LAUDERDALE, UNITED STATES
January 24, 2020, 4:00 am
Departed
MIAMI, UNITED STATES
January 24, 2020, 1:45 am
Arrived
MIAMI, UNITED STATES
January 23, 2020, 3:12 pm
Processed Through Regional Facility
MIAMI FL INTERNATIONAL DISTRIBUTION CENTER
January 22, 2020, 10:27 am
Arrived at USPS Regional Facility
MIAMI FL INTERNATIONAL DISTRIBUTION CENTER
January 22, 2020, 10:27 am
Arrived at Regional Facility
MIAMI FL INTERNATIONAL DISTRIBUTION CENTER
January 21, 2020, 4:57 pm
Shipment Received, Package Acceptance Pending
ORLANDO, FL 32806
January 20, 2020, 3:14 pm
Shipping Label Created, USPS Awaiting Item
ORLANDO, FL 32806
Für diesen Post bedanken, weil hilfreich und/oder fachlich fundiert.
Kosmos-Radiobaukasten 1935 XXL

Eine interessante Geschichte hat diese Röhre mit gemacht....
Wird wohl damals zu einem der KOSMOS Radio-Kästen geliefert worden sein.
Ebenso interessant wäre ein Scan der Informationsbeilage:
"Wie prüft man die Unversehrtheit der Doppelgitterröhre?"
MfG
Für diesen Post bedanken, weil hilfreich und/oder fachlich fundiert.
Kosmos-Radiobaukasten 1935 XXL
Hier der Beipackzettel:
- Anleitung_U409_D (183 KB)
Für diesen Post bedanken, weil hilfreich und/oder fachlich fundiert.
Kosmos-Radiobaukasten 1935 XXL
Auf Wunsch habe ich die Anleitung in Post 6 noch einmal in Graustufen hochgeladen. Sie ist besser zu lesen .
Für diesen Post bedanken, weil hilfreich und/oder fachlich fundiert.