Power supply based on tube '80' - how to connect?

ID: 154713
Power supply based on tube '80' - how to connect? 
17.Dec.07 12:17
0

Dejan Dizdar (IL)
Articles: 24
Count of Thanks: 9

Hello,

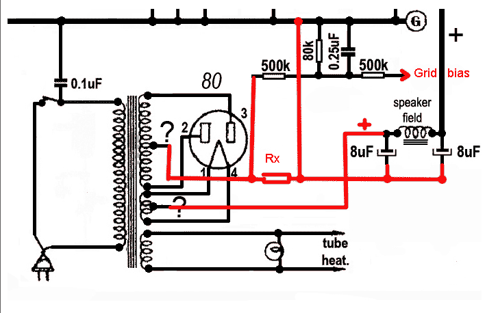
I have trouble restoring a power supply for an mid-30's set that was wired & rewired before I got it.

In the attached drawing the existing connections are certain (original). Problem is where to connect the two transformer center-taps and the 500k resistors.

Any help will be appreciated!

Dejan Dizdar

Attachments:

To thank the Author because you find the post helpful or well done.

 2
 
17.Dec.07 12:34

Marco Gilardetti (I)
Articles: 151
Count of Thanks: 13
Marco Gilardetti

Too little is shown for my knowledge.

The 500K resistors may very well be a return negative-voltage net, but this is impossible to say without taking a look at the rest of the circuitry. Does it use fixed grid bias, for example? Which is the a.c. voltage at transformer's secondary coil, and which the c.c. voltage supply needed by the power amplifying tube?

To thank the Author because you find the post helpful or well done.

 3
 
17.Dec.07 14:28

Konrad Birkner † 12.08.2014 (D)
Articles: 2316
Count of Thanks: 7
Konrad Birkner † 12.08.2014

 The connections of the tappings are clear. The three resistors of 2x500 kOhm and 80 kOhm are leading to speculation.

First hypothesis: low supply voltage for a detector (audion) stage. this was common practice.

Second hypothesis:  negative grid bias.
The value of Rx has to be found by  calculation 7.25 x Ugrid : Anode current.
Here the voltage divider (factor 7.25) is not really convincing.

Third hypothesis: That combination has nothing to do with power, but is part of AVC smoothing.

Attachments:

To thank the Author because you find the post helpful or well done.

 4
RE: power supply 
18.Dec.07 06:38

Dejan Dizdar (IL)
Articles: 24
Count of Thanks: 10

Hello and thank you all for your help. I didn't want to burden you with the whole schematics, but if someone wants to see it for further clarification, I'll gladly email it to you.

It is an 30's De Gialluly set (already in the RM database) which I am trying to bring to working order before I post the schematics and the front view pic (at present it is disassembled).

To thank the Author because you find the post helpful or well done.