- Produttore / Marca
- Admiral (brand) Continental Radio & Television Co.; Chicago, IL
- Anno
- 1960/1961
- Categoria
- Radio (o sintonizzatore del dopoguerra WW2)
- Radiomuseum.org ID
- 85039
-
- alternative name: Continental Radio & TV
Clicca sulla miniatura dello schema per richiederlo come documento gratuito.
- Numero di tubi
- 4
- Principio generale
- Supereterodina (in generale); ZF/IF 455 kHz; 2 Stadi BF
- N. di circuiti accordati
- 4 Circuiti Mod. Amp. (AM)
- Gamme d'onda
- Solo onde medie (OM).
- Tensioni di funzionamento
- Alimentazione universale (doppia: CC/CA) / 110-120 Volt
- Altoparlante
- AP magnetodinamico (magnete permanente e bobina mobile) / Ø 4 inch = 10.2 cm
- Materiali
- Plastica (non bachelite o catalina)
- Radiomuseum.org
- Modello: 4L28B Ch= 4L2B - Admiral brand Continental
- Forma
- Soprammobile compatto/con bordi arrotondati/midget senza pulsantiera/tastiera.<= 35 cm (Sometimes with handle but for mains only).
- Annotazioni
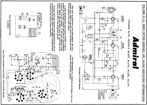
- The SAMS Photofact date 5-61, set 531, folder 3 shows the same tube complement, tube locations and etched wiring board for Admiral model Y1189A (Grey and Green) with chassis 4E3A, the model "Sinclair" Y3037 (Beige and White) and Y3038 (Turquoise and White) with chassis 4N3 and model 4L26B, 4L27B, 4L28B and 4L29B with chassis 4L2B. They are AC operated 4 tube AM receivers with electric clock - except for models 4L ... The chassis is a completely new design of the very popular 4L2 and 4L2A chassis.
- Fonte dei dati
- Beitman Radio Diagrams, Vol. 21, 1961
- Letteratura / Schemi (1)
- Photofact Folder, Howard W. SAMS (Date 5-61, set 531, folder 3 copy title)
- Autore
- Modello inviato da Egon Penker. Utilizzare "Proponi modifica" per inviare ulteriori dati.
- Altri modelli
-
In questo link sono elencati 3229 modelli, di cui 1333 con immagini e 2599 con schemi.
Elenco delle radio e altri apparecchi della Admiral (brand) Continental Radio & Television Co.; Chicago, IL