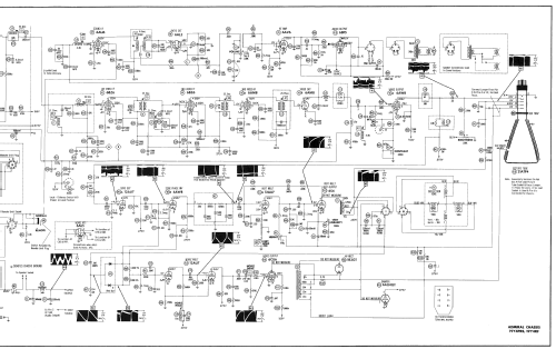
C223A3 Ch= 19Y4RF
Admiral (brand) Continental Radio & Television Co.; Chicago, IL
- Produttore / Marca
- Admiral (brand) Continental Radio & Television Co.; Chicago, IL
- Anno
- 1957 ?
- Categoria
- Televisore (TV) / Monitor
- Radiomuseum.org ID
- 310042
-
- alternative name: Continental Radio & TV
Clicca sulla miniatura dello schema per richiederlo come documento gratuito.
- Numero di tubi
- 18
- Valvole
- 6BZ7 6J6 6BZ6 6BZ6 6AM8 6AW8 6AU6 6AL5 6AV6 6BF5 12AU7 6S4 12AU7 6CU6 6AU4GT 1B3GT 5U4GB 21ATP4
- Principio generale
- Supereterodina con stadio RF
- Gamme d'onda
- Gamme d'onda nelle note.
- Tensioni di funzionamento
- Alimentazione a corrente alternata (CA) / 60 Hz, 117V = 110 -120 Volt
- Altoparlante
- AP magnetodinamico (magnete permanente e bobina mobile) / Ø 6 inch = 15.2 cm
- Materiali
- Mobile in legno
- Radiomuseum.org
- Modello: C223A3 Ch= 19Y4RF - Admiral brand Continental
- Forma
- Soprammobile con qualsiasi forma (non saputo).
- Annotazioni
-
Admiral model C223A3 is a 21" b/w TV with US standard VHF tuner channels 2 thru 13. Equipped with chassis 19Y4RF, VHF tuner 94D2-12 and picture tube 21ATP4.
- Letteratura / Schemi (1)
- Photofact Folder, Howard W. SAMS (Set 361 Folder 2 dated 6-57)
- Autore
- Modello inviato da Dirk Taekels. Utilizzare "Proponi modifica" per inviare ulteriori dati.
- Altri modelli
-
In questo link sono elencati 3229 modelli, di cui 1333 con immagini e 2599 con schemi.
Elenco delle radio e altri apparecchi della Admiral (brand) Continental Radio & Television Co.; Chicago, IL