C223R17 Ch= 20Y4PRS
Admiral (brand) Continental Radio & Television Co.; Chicago, IL
- Country
- United States of America (USA)
- Manufacturer / Brand
- Admiral (brand) Continental Radio & Television Co.; Chicago, IL
- Year
- 1956 ?
- Category
- Television Receiver (TV) or Monitor
- Radiomuseum.org ID
- 297446
-
- alternative name: Continental Radio & TV
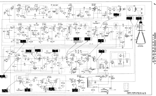
Click on the schematic thumbnail to request the schematic as a free document.
- Number of Tubes
- 20
- Valves / Tubes
- 6BC8 6J6 6BZ6 6BZ6 6AM8 6AW8 6BH8 6AU6 6AL5 6AV6 6BF5 6CS6 6S4A 6AL5 12AU7 6CU6 6AU4GTA 1B3GT 5U4GB 21ALP4A
- Wave bands
- Wave Bands given in the notes.
- Power type and voltage
- Alternating Current supply (AC) / 60 cycles, 117V = 110 -120 Volt
- Loudspeaker
- Permanent Magnet Dynamic (PDyn) Loudspeaker (moving coil)
- Material
- Wooden case
- from Radiomuseum.org
- Model: C223R17 Ch= 20Y4PRS - Admiral brand Continental
- Shape
- Tablemodel, with any shape - general.
- Notes
-
THE ADMIRAL model C223R17 is a 21" b/w TV with US standard VHF Tuner channels 2 thru 13, equipped with VHF-tuner 94D92-10, chassis 20Y4PRS and picture tube 21ALP4A.
- Literature/Schematics (1)
- Photofact Folder, Howard W. SAMS (Set 316 Folder 2 Dated 5-56)
- Author
- Model page created by Dirk Taekels. See "Data change" for further contributors.
- Other Models
-
Here you find 3229 models, 1333 with images and 2599 with schematics for wireless sets etc. In French: TSF for Télégraphie sans fil.
All listed radios etc. from Admiral (brand) Continental Radio & Television Co.; Chicago, IL