C223R8 Ch= 20Y4PRS
Admiral (brand) Continental Radio & Television Co.; Chicago, IL
- Land
- USA
- Hersteller / Marke
- Admiral (brand) Continental Radio & Television Co.; Chicago, IL
- Jahr
- 1956 ?
- Kategorie
- Fernseh-Empfänger/Monitor
- Radiomuseum.org ID
- 297443
- 
        - anderer Name: Continental Radio & TV
 
Klicken Sie auf den Schaltplanausschnitt, um diesen kostenlos als Dokument anzufordern.
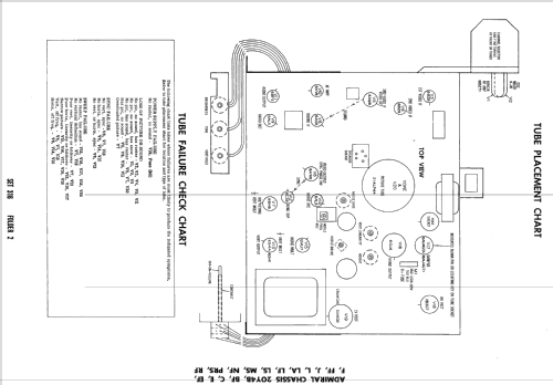
- Anzahl Röhren
- 20
- Röhren
- 6BC8 6J6 6BZ6 6BZ6 6AM8 6AW8 6BH8 6AU6 6AL5 6AV6 6BF5 6CS6 6S4A 6AL5 12AU7 6CU6 6AU4GTA 1B3GT 5U4GB 21ALP4A
- Wellenbereiche
- Wellen in den Bemerkungen.
- Betriebsart / Volt
- Wechselstromspeisung / 60 cycles, 117V = 110 -120 Volt
- Lautsprecher
- Dynamischer LS, keine Erregerspule (permanentdynamisch)
- Material
- Gerät mit Holzgehäuse
- von Radiomuseum.org
- Modell: C223R8 Ch= 20Y4PRS - Admiral brand Continental
- Form
- Tischmodell, Zusatz nicht bekannt - allgemein.
- Bemerkung
- 
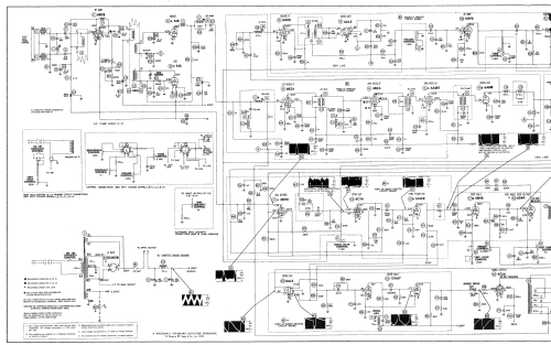
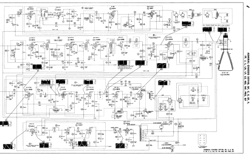
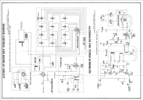
        THE ADMIRAL model C223R8 is a 21" b/w TV with US standard VHF Tuner channels 2 thru 13, equipped with VHF-tuner 94D92-10, chassis 20Y4PRS and picture tube 21ALP4A. 
- Literatur/Schema (1)
- Photofact Folder, Howard W. SAMS (Set 316 Folder 2 Dated 5-56)
- Autor
- Modellseite von Dirk Taekels angelegt. Siehe bei "Änderungsvorschlag" für weitere Mitarbeit.
- Weitere Modelle
- 
        Hier finden Sie 3229 Modelle, davon 1333 mit Bildern und 2599 mit Schaltbildern. 
 Alle gelisteten Radios usw. von Admiral (brand) Continental Radio & Television Co.; Chicago, IL
 
                
                
                
                
                
                
                
                
                
                
                
                
                
                
                
                
                
                
               