C23B3 Ch= 20Y4NF
Admiral (brand) Continental Radio & Television Co.; Chicago, IL
- Produttore / Marca
- Admiral (brand) Continental Radio & Television Co.; Chicago, IL
- Anno
- 1956 ?
- Categoria
- Televisore (TV) / Monitor
- Radiomuseum.org ID
- 297128
-
- alternative name: Continental Radio & TV
Clicca sulla miniatura dello schema per richiederlo come documento gratuito.
- Numero di tubi
- 20
- Valvole
- 6BC8 6J6 6BZ6 6BZ6 6AM8 6AW8 6BH8 6AU6 6AL5 6AV6 6BF5 6CS6 6S4A 6AL5 12AU7 6CU6 6AU4GTA 1B3GT 5U4GB 21ALP4A
- Principio generale
- Supereterodina con stadio RF
- Gamme d'onda
- Gamme d'onda nelle note.
- Tensioni di funzionamento
- Alimentazione a corrente alternata (CA) / 60 cycles, 117V = 110 -120 Volt
- Altoparlante
- AP magnetodinamico (magnete permanente e bobina mobile)
- Materiali
- Mobile in legno
- Radiomuseum.org
- Modello: C23B3 Ch= 20Y4NF - Admiral brand Continental
- Forma
- Soprammobile con qualsiasi forma (non saputo).
- Annotazioni
-
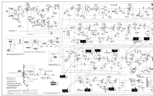
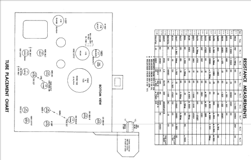
THE ADMIRAL model C23B3 is a 21" b/w TV with US standard VHF Tuner channels 2 thru 13, equipped with VHF-tuner 94D92-7, chassis 20Y4NF and picture tube 21ALP4A.
- Letteratura / Schemi (1)
- Photofact Folder, Howard W. SAMS (Set 316 Folder 2 Dated 5-56)
- Autore
- Modello inviato da Dirk Taekels. Utilizzare "Proponi modifica" per inviare ulteriori dati.
- Altri modelli
-
In questo link sono elencati 3229 modelli, di cui 1333 con immagini e 2599 con schemi.
Elenco delle radio e altri apparecchi della Admiral (brand) Continental Radio & Television Co.; Chicago, IL