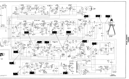
C28B7 Sierra Ch= 20Y4D
Admiral (brand) Continental Radio & Television Co.; Chicago, IL
- País
- Estados Unidos
- Fabricante / Marca
- Admiral (brand) Continental Radio & Television Co.; Chicago, IL
- Año
- 1956
- Categoría
- Televisión (TV) o monitor
- Radiomuseum.org ID
- 113752
-
- alternative name: Continental Radio & TV
Haga clic en la miniatura esquemática para solicitarlo como documento gratuito.
- Numero de valvulas
- 20
- Válvulas
- 6BC8 6J6 6BZ6 6BZ6 6AM8 6AW8 6BH8 6AU6 6AL5 6AV6 6BF5 6CS6 6AV5GT 6AL5 12AU7 6CD6G 6AU4GT 1B3GT 5U4GA 27RP4
- Principio principal
- Superheterodino con paso previo de RF
- Gama de ondas
- Bandas de recepción puestas en notas.
- Tensión de funcionamiento
- Red: Corriente alterna (CA, Inglés = AC) / 60 cycles, 117V = 110 -120 Volt
- Altavoz
- Altavoz dinámico (de imán permanente) / Ø 10 inch = 25.4 cm
- Material
- Madera
- de Radiomuseum.org
- Modelo: C28B7 Sierra Ch= 20Y4D - Admiral brand Continental
- Forma
- Consola baja, patas más cortas del 50%.
- Anotaciones
-
Admiral model C28B7 is a 24" b/w TV with US standard VHF tuner channels 2 thru 13. Equipped with chassis 20Y4D, VHF tuner 94D92-7 and picture tube 27RP4.
- Documentación / Esquemas (1)
- Photofact Folder, Howard W. SAMS (Set 323 Folder 2 dated 7-56)
- Autor
- Modelo creado por Peter Hoddow. Ver en "Modificar Ficha" los participantes posteriores.
- Otros modelos
-
Donde encontrará 3229 modelos, 1333 con imágenes y 2599 con esquemas.
Ir al listado general de Admiral (brand) Continental Radio & Television Co.; Chicago, IL