CS323A17 Ch= 19SZ4DF
Admiral (brand) Continental Radio & Television Co.; Chicago, IL
- Country
- United States of America (USA)
- Manufacturer / Brand
- Admiral (brand) Continental Radio & Television Co.; Chicago, IL
- Year
- 1957 ?
- Category
- Television Receiver (TV) or Monitor
- Radiomuseum.org ID
- 316354
-
- alternative name: Continental Radio & TV
Click on the schematic thumbnail to request the schematic as a free document.
- Number of Tubes
- 20
- Valves / Tubes
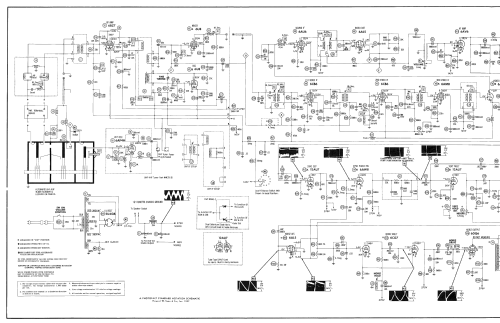
- 6AF4A 6BZ7 6U8 6CB6 6CB6 6AM8 6AW8 6AU6 6AL5 6AU6 6DG6 12AU7 6S4A 6AL5 6CG7 6DQ6 6AU4GTA 1B3GT 5U4GB 21ATP4
- Main principle
- Superhet with RF-stage
- Wave bands
- Wave Bands given in the notes.
- Power type and voltage
- Alternating Current supply (AC) / 60 Hz, 117V = 110 -120 Volt
- Loudspeaker
- Permanent Magnet Dynamic (PDyn) Loudspeaker (moving coil)
- Material
- Wooden case
- from Radiomuseum.org
- Model: CS323A17 Ch= 19SZ4DF - Admiral brand Continental
- Shape
- Tablemodel, with any shape - general.
- Notes
-
Admiral model CS323A17 is a 21" b/w TV with US standard VHF tuner channels 2 thru 13, and 14 thru 83 UHF. Equipped with chassis 19SZ4DF , VHF- tuner 94E144-4, UHF- tuner 94D112-3 and picture tube 21ATP4.
- Literature/Schematics (1)
- Photofact Folder, Howard W. SAMS (Set 377 Folder 2 dated 11-57)
- Author
- Model page created by Dirk Taekels. See "Data change" for further contributors.
- Other Models
-
Here you find 3229 models, 1333 with images and 2599 with schematics for wireless sets etc. In French: TSF for Télégraphie sans fil.
All listed radios etc. from Admiral (brand) Continental Radio & Television Co.; Chicago, IL