CS325A6 Ch= 19SZ4FS
Admiral (brand) Continental Radio & Television Co.; Chicago, IL
- País
- Estados Unidos
- Fabricante / Marca
- Admiral (brand) Continental Radio & Television Co.; Chicago, IL
- Año
- 1957 ?
- Categoría
- Televisión (TV) o monitor
- Radiomuseum.org ID
- 316376
-
- alternative name: Continental Radio & TV
Haga clic en la miniatura esquemática para solicitarlo como documento gratuito.
- Numero de valvulas
- 20
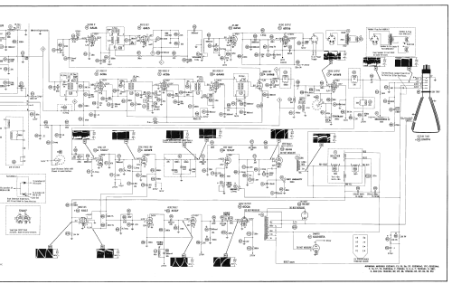
- Válvulas
- 6AF4A 6BZ7 6U8 6CB6 6CB6 6AM8 6AW8 6AU6 6AL5 6AU6 6DG6 12AU7 6S4A 6AL5 6CG7 6DQ6 6AU4GTA 1B3GT 5U4GB 21ATP4
- Principio principal
- Superheterodino con paso previo de RF
- Gama de ondas
- Bandas de recepción puestas en notas.
- Tensión de funcionamiento
- Red: Corriente alterna (CA, Inglés = AC) / 60 Hz, 117V = 110 -120 Volt
- Altavoz
- Altavoz dinámico (de imán permanente)
- Material
- Madera
- de Radiomuseum.org
- Modelo: CS325A6 Ch= 19SZ4FS - Admiral brand Continental
- Forma
- Sobremesa de cualquier forma, detalles no conocidos.
- Anotaciones
-
Admiral model CS325A6 is a 21" b/w TV with US standard VHF tuner channels 2 thru 13, and 14 thru 83 UHF. Equipped with chassis 19SZ4FS , VHF- UHF tuner 94E75-20 and picture tube 21ATP4.
- Documentación / Esquemas (1)
- Photofact Folder, Howard W. SAMS (Set 377 Folder 2 dated 11-57)
- Autor
- Modelo creado por Dirk Taekels. Ver en "Modificar Ficha" los participantes posteriores.
- Otros modelos
-
Donde encontrará 3229 modelos, 1333 con imágenes y 2599 con esquemas.
Ir al listado general de Admiral (brand) Continental Radio & Television Co.; Chicago, IL