LS23B6 Ch= 20SY4H and 3D1B or 3D1C
Admiral (brand) Continental Radio & Television Co.; Chicago, IL
- Land
- USA
- Hersteller / Marke
- Admiral (brand) Continental Radio & Television Co.; Chicago, IL
- Jahr
- 1956 ?
- Kategorie
- Fernseh-Empfänger mit Radio evtl. Komb.m.Ton-/Bildsp.
- Radiomuseum.org ID
- 306299
-
- anderer Name: Continental Radio & TV
Klicken Sie auf den Schaltplanausschnitt, um diesen kostenlos als Dokument anzufordern.
- Anzahl Röhren
- 24
- Röhren
- 6AF4 6BZ8 6U8 6CB6 6CB6 6AM8 6AW8 6BH8 6AV6 6AL5 6AV6 6DG6GT 6CS6 6S4 6AL5 12AU7 6CU6 6AU4GT 1B3GT 5U4GA 21ALP4A 6BE6 6BA6 6AV6
- Hauptprinzip
- Super mit HF-Vorstufe
- Wellenbereiche
- Wellen in den Bemerkungen.
- Spezialitäten
- Plattenspieler (kein -Wechsler)
- Betriebsart / Volt
- Wechselstromspeisung / 60 Hz, 117V = 110 -120 Volt
- Lautsprecher
- Dynamischer LS, keine Erregerspule (permanentdynamisch)
- Material
- Gerät mit Holzgehäuse
- von Radiomuseum.org
- Modell: LS23B6 Ch= 20SY4H and 3D1B or 3D1C - Admiral brand Continental
- Form
- Standgerät auf hohen Beinen (Beine > 50 % der Gesamthöhe).
- Bemerkung
-
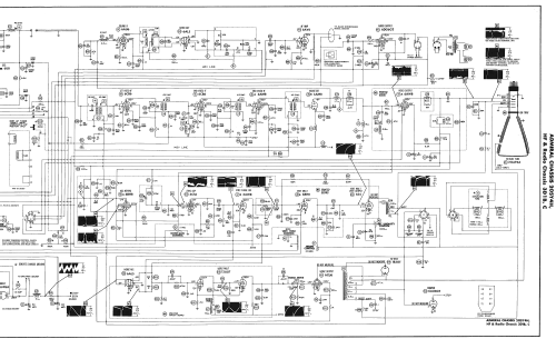
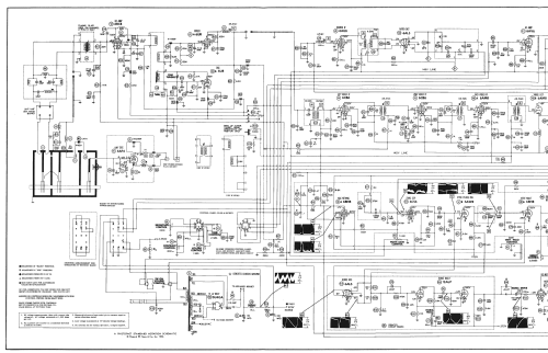
Admiral Model LS23B6 is a 21" b/w TV -Radio-Phono Combination Receiver with US standard VHF tuner channels 2 thru 13, and 14 thru 83 UHF. Equipped with chassis 20SY4H and Radio chassis 3D1B or 3D1C, VHF-UHF tuner 94E75-19 and picture tube 21ALP4A.
- Literatur/Schema (1)
- Photofact Folder, Howard W. SAMS (Set 325 Folder 2 dated 8-56)
- Autor
- Modellseite von Dirk Taekels angelegt. Siehe bei "Änderungsvorschlag" für weitere Mitarbeit.
- Weitere Modelle
-
Hier finden Sie 3229 Modelle, davon 1333 mit Bildern und 2599 mit Schaltbildern.
Alle gelisteten Radios usw. von Admiral (brand) Continental Radio & Television Co.; Chicago, IL