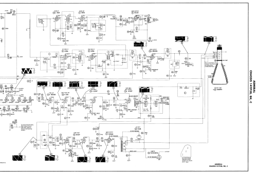
T101 Ch= 14YP3B
Admiral (brand) Continental Radio & Television Co.; Chicago, IL
- Country
- United States of America (USA)
- Manufacturer / Brand
- Admiral (brand) Continental Radio & Television Co.; Chicago, IL
- Year
- 1956 ?
- Category
- Television Receiver (TV) or Monitor
- Radiomuseum.org ID
- 260391
-
- alternative name: Continental Radio & TV
Click on the schematic thumbnail to request the schematic as a free document.
- Number of Tubes
- 14
- Main principle
- Superhet with RF-stage
- Wave bands
- Wave Bands given in the notes.
- Power type and voltage
- Alternating Current supply (AC) / 60 Hz, 117V = 110 -120 Volt
- Loudspeaker
- Permanent Magnet Dynamic (PDyn) Loudspeaker (moving coil) / Ø 3.5 inch = 8.9 cm
- Material
- Plastics (no bakelite or catalin)
- from Radiomuseum.org
- Model: T101 Ch= 14YP3B - Admiral brand Continental
- Shape
- Tablemodel, with any shape - general.
- Notes
-
The Admiral T101 is a 10" b/w TV with US standard VHF tuner channels 2 thru 13. Equipped with chassis 14YP3B and picture tube 10ABP4.
- Mentioned in
- Photofact Folder, Howard W. SAMS (Set 380 Folder 1 Production Changes Bulletin 194 dated 12-57)
- Literature/Schematics (1)
- Photofact Folder, Howard W. SAMS (Set 350 Folder 1 date 3 - 57)
- Literature/Schematics (2)
- Photofact Folder, Howard W. SAMS (Set 333 Folder 18-S Dated 10-56)
- Author
- Model page created by Dirk Taekels. See "Data change" for further contributors.
- Other Models
-
Here you find 3229 models, 1333 with images and 2599 with schematics for wireless sets etc. In French: TSF for Télégraphie sans fil.
All listed radios etc. from Admiral (brand) Continental Radio & Television Co.; Chicago, IL