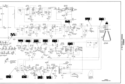
T141 CH= 14YP3C
Admiral (brand) Continental Radio & Television Co.; Chicago, IL
- Produttore / Marca
- Admiral (brand) Continental Radio & Television Co.; Chicago, IL
- Anno
- 1956 ?
- Categoria
- Televisore (TV) / Monitor
- Radiomuseum.org ID
- 260545
-
- alternative name: Continental Radio & TV
Clicca sulla miniatura dello schema per richiederlo come documento gratuito.
- Numero di tubi
- 14
- Principio generale
- Supereterodina con stadio RF
- Gamme d'onda
- VHF/UHF (ved. i dettagli nelle note)
- Tensioni di funzionamento
- Alimentazione a corrente alternata (CA) / 60 Hz, 117V = 110 -120 Volt
- Altoparlante
- AP magnetodinamico (magnete permanente e bobina mobile) / Ø 4 inch = 10.2 cm
- Materiali
- Plastica (non bachelite o catalina)
- Radiomuseum.org
- Modello: T141 CH= 14YP3C - Admiral brand Continental
- Forma
- Soprammobile con qualsiasi forma (non saputo).
- Annotazioni
-
The Admiral T141 is a 10" b/w TV with US standard VHF tuner channels 2 thru 13. Equipped with chassis 14YP3C and picture tube 10ABP4.
- Bibliografia
- Photofact Folder, Howard W. SAMS (Set 380 Folder 1 Production Changes Bulletin 194 dated 12-57)
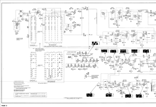
- Letteratura / Schemi (1)
- Photofact Folder, Howard W. SAMS (Set 350 Folder 1 date 3-57)
- Autore
- Modello inviato da Dirk Taekels. Utilizzare "Proponi modifica" per inviare ulteriori dati.
- Altri modelli
-
In questo link sono elencati 3229 modelli, di cui 1333 con immagini e 2599 con schemi.
Elenco delle radio e altri apparecchi della Admiral (brand) Continental Radio & Television Co.; Chicago, IL