T171N Ch= 14YP3DM
Admiral (brand) Continental Radio & Television Co.; Chicago, IL
- Pays
- Etats-Unis
- Fabricant / Marque
- Admiral (brand) Continental Radio & Television Co.; Chicago, IL
- Année
- 1957 ?
- Catégorie
- Récepteur de télévision ou moniteur
- Radiomuseum.org ID
- 313788
-
- alternative name: Continental Radio & TV
Cliquez sur la vignette du schéma pour le demander en tant que document gratuit.
- No. de tubes
- 14
- Principe général
- Super hétérodyne avec étage HF
- Gammes d'ondes
- Bandes en notes
- Tension / type courant
- Alimentation Courant Alternatif (CA) / 60 Hz, 117V = 110 -120 Volt
- Haut-parleur
- HP dynamique à aimant permanent + bobine mobile / Ø 4 inch = 10.2 cm
- Matière
- Plastique moderne (pas de bakélite, ni de catalin)
- De Radiomuseum.org
- Modèle: T171N Ch= 14YP3DM - Admiral brand Continental
- Forme
- Modèle de table générique
- Remarques
-
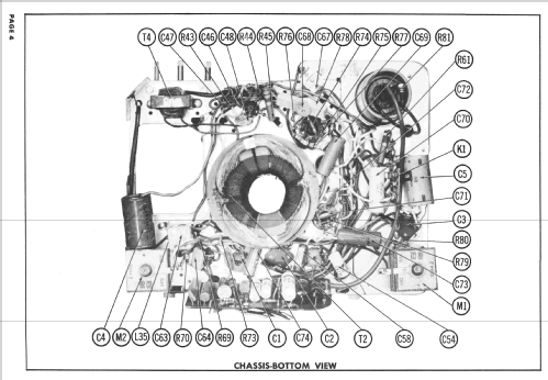
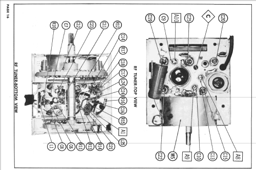
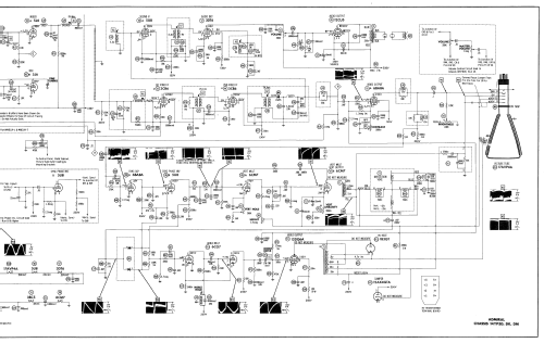
Admiral model T171N is a 17" b/w TV with US standard VHF tuner channels 2 thru 13. Equipped with chassis 14YP3DM, VHF tuner 94D128-1 and picture tube 17AVP4A.
- Schémathèque (1)
- Photofact Folder, Howard W. SAMS (Set 370 Folder 1 dated 9-57)
- Auteur
- Modèle crée par Dirk Taekels. Voir les propositions de modification pour les contributeurs supplémentaires.
- D'autres Modèles
-
Vous pourrez trouver sous ce lien 3229 modèles d'appareils, 1333 avec des images et 2599 avec des schémas.
Tous les appareils de Admiral (brand) Continental Radio & Television Co.; Chicago, IL