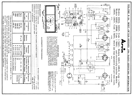
53R07 Ch= 1.74401
Arvin, brand of Noblitt-Sparks Industries
- Country
- United States of America (USA)
- Manufacturer / Brand
- Arvin, brand of Noblitt-Sparks Industries
- Year
- 1963 ?
- Category
- Broadcast Receiver - or past WW2 Tuner
- Radiomuseum.org ID
- 90480
Click on the schematic thumbnail to request the schematic as a free document.
- Number of Tubes
- 5
- Main principle
- Superheterodyne (common); ZF/IF 455 kHz; 2 AF stage(s)
- Tuned circuits
- 6 AM circuit(s)
- Wave bands
- Broadcast only (MW).
- Power type and voltage
- Alternating Current supply (AC) / 117 Volt
- Loudspeaker
- Permanent Magnet Dynamic (PDyn) Loudspeaker (moving coil) / Ø 4 inch = 10.2 cm
- Material
- Plastics (no bakelite or catalin)
- from Radiomuseum.org
- Model: 53R07 Ch= 1.74401 - Arvin, brand of Noblitt-Sparks
- Shape
- Tablemodel with Clock ((Alarm-) Clock Radio).
- Notes
-
Tabletop AM Clock Radio Model Arvin 53R07 Ch=1.74401
Finish: Off White
Power Consumption 30 Watts
See also Arvin 53R05 Ch=1.74401 - Wedgewood Blue
- Circuit diagram reference
- Beitman Radio Diagrams Vol. 24, 1964
- Author
- Model page created by Egon Penker. See "Data change" for further contributors.
- Other Models
-
Here you find 723 models, 494 with images and 590 with schematics for wireless sets etc. In French: TSF for Télégraphie sans fil.
All listed radios etc. from Arvin, brand of Noblitt-Sparks Industries