YG8012M Ch= 22C5
Admiral (brand) Continental Radio & Television Co.; Chicago, IL
- Country
- United States of America (USA)
- Manufacturer / Brand
- Admiral (brand) Continental Radio & Television Co.; Chicago, IL
- Year
- 1965 ?
- Category
- Broadcast Receiver - or past WW2 Tuner
- Radiomuseum.org ID
- 93558
-
- alternative name: Continental Radio & TV
Click on the schematic thumbnail to request the schematic as a free document.
- Number of Transistors
- 22
- Semiconductors
- Main principle
- Superheterodyne (common); ZF/IF 455/10700 kHz
- Wave bands
- Broadcast (BC) and FM or UHF.
- Details
- Changer (Record changer)
- Power type and voltage
- Alternating Current supply (AC) / 120 Volt
- Loudspeaker
- 4 Loudspeakers
- from Radiomuseum.org
- Model: YG8012M Ch= 22C5 - Admiral brand Continental
- Notes
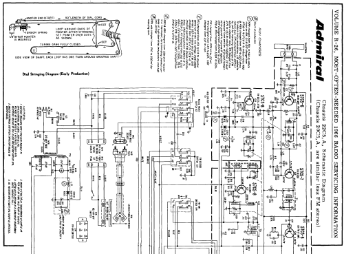
- Chassis 22C5 is an AM/FM Stereo Tuner
Color=Mahogany
- Circuit diagram reference
- Beitman Radio Diagrams Vol. 26, 1966
- Author
- Model page created by Egon Penker. See "Data change" for further contributors.
- Other Models
-
Here you find 3229 models, 1333 with images and 2599 with schematics for wireless sets etc. In French: TSF for Télégraphie sans fil.
All listed radios etc. from Admiral (brand) Continental Radio & Television Co.; Chicago, IL