International 4
Aero Products Inc.; Chicago, Illinois (Hoodwin)
- Country
- United States of America (USA)
- Manufacturer / Brand
- Aero Products Inc.; Chicago, Illinois (Hoodwin)
- Year
- 1933 ?
- Category
- Broadcast Receiver - or past WW2 Tuner
- Radiomuseum.org ID
- 31476
Click on the schematic thumbnail to request the schematic as a free document.
- Number of Tubes
- 4
- Valves / Tubes
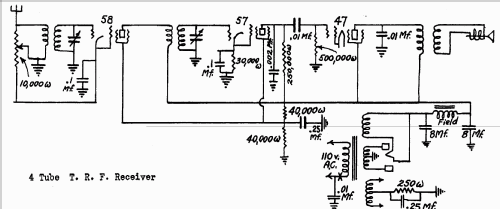
- 58 57 47 unknown_Tube
- Main principle
- TRF without regeneration; Screengrid 1926-1935
- Tuned circuits
- 2 AM circuit(s)
- Wave bands
- Broadcast only (MW).
- Power type and voltage
- Alternating Current supply (AC) / 110 Volt
- Loudspeaker
- Electro Magnetic Dynamic LS (moving-coil with field excitation coil)
- Material
- Wooden case
- from Radiomuseum.org
- Model: International 4 - Aero Products Inc.; Chicago,
- Shape
- Table-Cathedral-Type (upright, round top or gothic arch, not rounded edges only).
- Notes
-
See also Hoodwin 4 Tube AC TRF.
- Price in first year of sale
- 10.95 USD
- External source of data
- Ernst Erb
- Circuit diagram reference
- Rider's Perpetual, Volume 4 = ca. 1934 and before
- Mentioned in
- Cathedral & Tombstone Radios (page 35.)
- Literature/Schematics (1)
- Short Wave Craft May 1933 page 59
- Other Models
-
Here you find 21 models, 21 with images and 4 with schematics for wireless sets etc. In French: TSF for Télégraphie sans fil.
All listed radios etc. from Aero Products Inc.; Chicago, Illinois (Hoodwin)