NF Generator NG 1.81
Aeron zavod 01 AVON. Gottwaldov
- País
- Cecoslovacchia
- Fabricante / Marca
- Aeron zavod 01 AVON. Gottwaldov
- Año
- 1983
- Categoría
- Aparato de medida y servicio (Equipo de laboratorio).
- Radiomuseum.org ID
- 222277
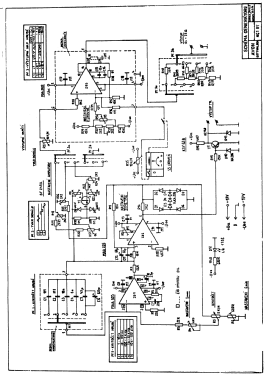
Haga clic en la miniatura esquemática para solicitarlo como documento gratuito.
- Numero de transistores
- Hay semiconductores.
- Semiconductores
- Gama de ondas
- Bandas de recepción puestas en notas.
- Tensión de funcionamiento
- Red: Corriente alterna (CA, Inglés = AC) / 220 Volt
- Altavoz
- - - No hay salida de sonido.
- Material
- Metálico
- de Radiomuseum.org
- Modelo: NF Generator NG 1.81 - Aeron zavod 01 AVON.
- Forma
- Sobremesa de cualquier forma, detalles no conocidos.
- Ancho, altura, profundidad
- 235 x 90 x 175 mm / 9.3 x 3.5 x 6.9 inch
- Anotaciones
- Low frequency generator 1 Hz - 100 kHz in five subbands.
- Peso neto
- 2.9 kg / 6 lb 6.2 oz (6.388 lb)
- Procedencia de los datos
- -- Original-techn. papers.
- Autor
- Modelo creado por Gabriel Toth. Ver en "Modificar Ficha" los participantes posteriores.
- Otros modelos
-
Donde encontrará 4 modelos, 1 con imágenes y 1 con esquemas.
Ir al listado general de Aeron zavod 01 AVON. Gottwaldov