- Land
- USA
- Hersteller / Marke
- Allied Radio Corp. (Knight, Roamer, Wextark); Chicago (IL)
- Jahr
- 1935 ??
- Kategorie
- Rundfunkempfänger (Radio - oder Tuner nach WW2)
- Radiomuseum.org ID
- 32394
Klicken Sie auf den Schaltplanausschnitt, um diesen kostenlos als Dokument anzufordern.
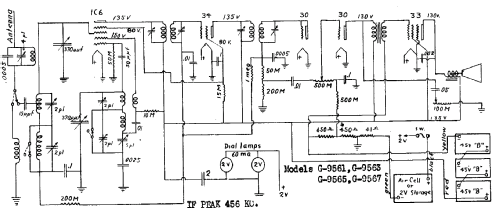
- Anzahl Röhren
- 5
- Hauptprinzip
- Superhet allgemein; ZF/IF 456 kHz
- Wellenbereiche
- Mittelwelle und Kurzwelle.
- Betriebsart / Volt
- Akku und/oder Batterie
- Lautsprecher
- Magnetischer Lautsprecher allgemein, System nicht definiert
- von Radiomuseum.org
- Modell: G-9563 [early] - Allied Radio Corp. Knight,
- Datenherkunft extern
- Ernst Erb
- Schaltungsnachweis
- Rider's Perpetual, Volume 6 = 1935 and before
- Weitere Modelle
-
Hier finden Sie 1325 Modelle, davon 990 mit Bildern und 682 mit Schaltbildern.
Alle gelisteten Radios usw. von Allied Radio Corp. (Knight, Roamer, Wextark); Chicago (IL)