- Country
- United States of America (USA)
- Manufacturer / Brand
- Ampeg (Portaflex); Linden, NJ
- Year
- 1959 ??
- Category
- Audio Amplifier or -mixer
- Radiomuseum.org ID
- 105317
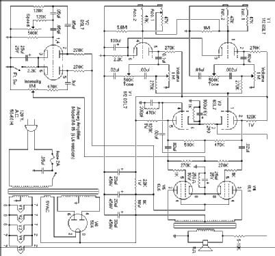
Click on the schematic thumbnail to request the schematic as a free document.
- Number of Tubes
- 6
- Wave bands
- - without
- Power type and voltage
- Alternating Current supply (AC) / 120 Volt
- Loudspeaker
- Permanent Magnet Dynamic (PDyn) Loudspeaker (moving coil)
- from Radiomuseum.org
- Model: M-15 - Ampeg Portaflex; Linden, NJ
- Notes
- instrument- amplifier
- Literature/Schematics (1)
- -- Schematic
- Author
- Model page created by Dirk Taekels. See "Data change" for further contributors.
- Other Models
-
Here you find 38 models, 0 with images and 37 with schematics for wireless sets etc. In French: TSF for Télégraphie sans fil.
All listed radios etc. from Ampeg (Portaflex); Linden, NJ