- País
- Estados Unidos
- Fabricante / Marca
- Ampeg (Portaflex); Linden, NJ
- Año
- 1966
- Categoría
- Amplificador de audio o mezclador
- Radiomuseum.org ID
- 105559
Haga clic en la miniatura esquemática para solicitarlo como documento gratuito.
- Numero de valvulas
- 6
- Principio principal
- Amplificador de Audio
- Gama de ondas
- - no hay
- Tensión de funcionamiento
- Red: Corriente alterna (CA, Inglés = AC) / 120 Volt
- Altavoz
- Altavoz dinámico (de imán permanente)
- de Radiomuseum.org
- Modelo: R-12RB - Ampeg Portaflex; Linden, NJ
- Anotaciones
- instrument-amplifier.
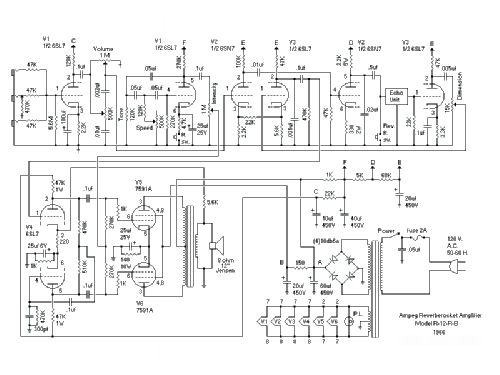
- Documentación / Esquemas (1)
- -- Schematic
- Autor
- Modelo creado por Dirk Taekels. Ver en "Modificar Ficha" los participantes posteriores.
- Otros modelos
-
Donde encontrará 38 modelos, 0 con imágenes y 37 con esquemas.
Ir al listado general de Ampeg (Portaflex); Linden, NJ