- Pays
- Etats-Unis
- Fabricant / Marque
- Ampeg (Portaflex); Linden, NJ
- Année
- 1970
- Catégorie
- Amplificateur BF ou mélangeur BF
- Radiomuseum.org ID
- 105808
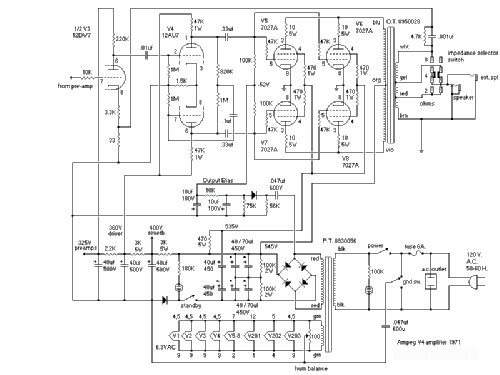
Cliquez sur la vignette du schéma pour le demander en tant que document gratuit.
- No. de tubes
- 11
- Principe général
- Amplification audio
- Gammes d'ondes
- - sans
- Tension / type courant
- Alimentation Courant Alternatif (CA) / 120 Volt
- Haut-parleur
- - Ce modèle nécessite des HP externes
- De Radiomuseum.org
- Modèle: V-4 - Ampeg Portaflex; Linden, NJ
- Remarques
- Instrument-amplifier.
- Schémathèque (1)
- -- Schematic
- Auteur
- Modèle crée par Dirk Taekels. Voir les propositions de modification pour les contributeurs supplémentaires.
- D'autres Modèles
-
Vous pourrez trouver sous ce lien 38 modèles d'appareils, 0 avec des images et 37 avec des schémas.
Tous les appareils de Ampeg (Portaflex); Linden, NJ