Soro SE
Audio Note UK Ltd.; East Sussex
- Country
- Great Britain (UK)
- Manufacturer / Brand
- Audio Note UK Ltd.; East Sussex
- Year
- 1990 ??
- Category
- Audio Amplifier or -mixer
- Radiomuseum.org ID
- 233558
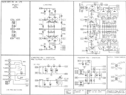
Click on the schematic thumbnail to request the schematic as a free document.
- Number of Tubes
- 8
- Main principle
- Audio-Amplification; Hi-Fi-High End products
- Wave bands
- - without
- Power type and voltage
- Alternating Current supply (AC)
- Loudspeaker
- - This model requires external speaker(s).
- Material
- Metal case
- from Radiomuseum.org
- Model: Soro SE - Audio Note UK Ltd.; East
- Shape
- Tablemodel, with any shape - general.
- Author
- Model page created by Mike Foo. See "Data change" for further contributors.
- Other Models
-
Here you find 1 models, 1 with images and 1 with schematics for wireless sets etc. In French: TSF for Télégraphie sans fil.
All listed radios etc. from Audio Note UK Ltd.; East Sussex