- Paese
- Belgio
- Produttore / Marca
- Radio Arel (A.R.E.L.); Antwerpen, Schoten
- Anno
- 1965
- Categoria
- Radio (o sintonizzatore del dopoguerra WW2)
- Radiomuseum.org ID
- 78500
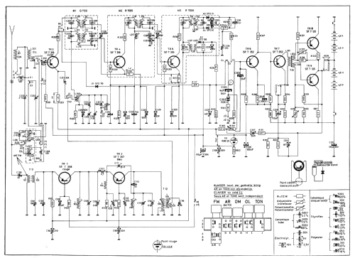
Clicca sulla miniatura dello schema per richiederlo come documento gratuito.
- Numero di transistor
- 9
- Semiconduttori
- Principio generale
- Supereterodina (in generale); ZF/IF 450 kHz
- Gamme d'onda
- Onde medie (OM), lunghe (OL) e MF (FM).
- Tensioni di funzionamento
- Batterie a secco / 4 x 4,5 Volt
- Altoparlante
- AP magnetodinamico (magnete permanente e bobina mobile)
- Potenza d'uscita
- 1 W (qualità ignota)
- Radiomuseum.org
- Modello: 923 - Radio Arel A.R.E.L.; Antwerpen
- Dimensioni (LxAxP)
- 293 x 177 x 91 mm / 11.5 x 7 x 3.6 inch
- Fonte esterna dei dati
- Radio revue okt 1965
- Autore
- Modello inviato da Bruno Brasseur. Utilizzare "Proponi modifica" per inviare ulteriori dati.
- Altri modelli
-
In questo link sono elencati 56 modelli, di cui 43 con immagini e 33 con schemi.
Elenco delle radio e altri apparecchi della Radio Arel (A.R.E.L.); Antwerpen, Schoten