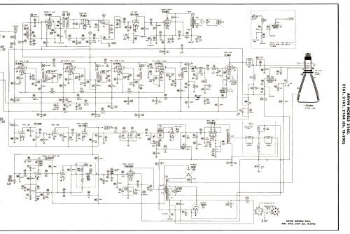
2162 Ch= TE-290
Arvin, brand of Noblitt-Sparks Industries
- Pays
- Etats-Unis
- Fabricant / Marque
- Arvin, brand of Noblitt-Sparks Industries
- Année
- 1951 ?
- Catégorie
- Récepteur de télévision ou moniteur
- Radiomuseum.org ID
- 344957
Cliquez sur la vignette du schéma pour le demander en tant que document gratuit.
- No. de tubes
- 20
- Lampes / Tubes
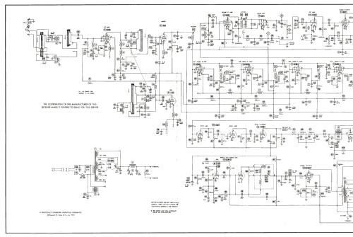
- 6CB6 6J6 6CB6 6CB6 6CB6 6CB6 or 6BC5 6AC7 6AU6 6AL5 12AU7 6BF5 12AU7 6C4 6SN7GT 6SN7GT 6CD6G 6W4GT 1B3GT 5U4G 16KP4 or 16KP4A
- Principe général
- Super hétérodyne avec étage HF
- Gammes d'ondes
- Bandes en notes
- Tension / type courant
- Alimentation Courant Alternatif (CA) / 60 Hz, 117V = 110 -120 Volt
- Haut-parleur
- HP dynamique à aimant permanent + bobine mobile
- Matière
- Boitier en bois
- De Radiomuseum.org
- Modèle: 2162 Ch= TE-290 - Arvin, brand of Noblitt-Sparks
- Forme
- Modèle de table générique
- Remarques
-
Arvin model 2162 is a 16” b/w TV with US standard VHF tuner channels 2 thru 13.
Equipped with chassis TE-290, VHF tuner AE23054-3 and picture tube 14KP4 or 16KP4A.
- Schémathèque (1)
- Photofact Folder, Howard W. SAMS (Set 126 Folder 3 dated 3-51)
- Auteur
- Modèle crée par Dirk Taekels. Voir les propositions de modification pour les contributeurs supplémentaires.
- D'autres Modèles
-
Vous pourrez trouver sous ce lien 723 modèles d'appareils, 494 avec des images et 590 avec des schémas.
Tous les appareils de Arvin, brand of Noblitt-Sparks Industries