244P Ch= RE-255
Arvin, brand of Noblitt-Sparks Industries
- Produttore / Marca
- Arvin, brand of Noblitt-Sparks Industries
- Anno
- 1948/1949
- Categoria
- Radio (o sintonizzatore del dopoguerra WW2)
- Radiomuseum.org ID
- 32953
Clicca sulla miniatura dello schema per richiederlo come documento gratuito.
- Numero di tubi
- 4
- Principio generale
- Supereterodina (in generale); ZF/IF 455 kHz; 2 Stadi BF
- N. di circuiti accordati
- 6 Circuiti Mod. Amp. (AM)
- Gamme d'onda
- Solo onde medie (OM).
- Tensioni di funzionamento
- Rete / Batterie (ogni tipo) / AC/DC 105-120 / 67.5 & 6 Volt
- Altoparlante
- AP magnetodinamico (magnete permanente e bobina mobile) / Ø 4 cm = 1.6 inch
- Materiali
- Plastica (non bachelite o catalina)
- Radiomuseum.org
- Modello: 244P Ch= RE-255 - Arvin, brand of Noblitt-Sparks
- Forma
- Apparecchio portatile > 20 cm (senza la necessità di una rete)
- Annotazioni
- Selenium Rectifier
- Fonte esterna dei dati
- Ernst Erb
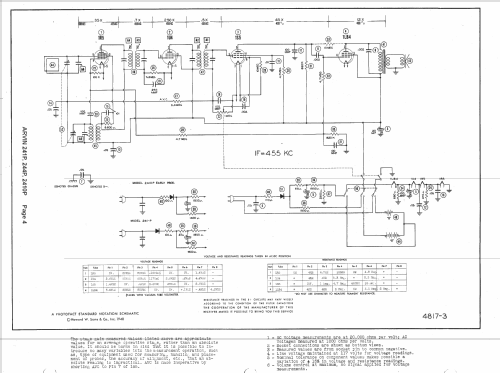
- Riferimenti schemi
- Rider's Perpetual, Volume 19 = 1949 and before
- Letteratura / Schemi (1)
- Beitman Radio Diagrams, Vol. 09, 1949
- Letteratura / Schemi (2)
- Photofact Folder, Howard W. SAMS (Set 47 Folder 3 dated 10-48)
- Altri modelli
-
In questo link sono elencati 723 modelli, di cui 494 con immagini e 594 con schemi.
Elenco delle radio e altri apparecchi della Arvin, brand of Noblitt-Sparks Industries