853T Ch= RE375
Arvin, brand of Noblitt-Sparks Industries
- Country
- United States of America (USA)
- Manufacturer / Brand
- Arvin, brand of Noblitt-Sparks Industries
- Year
- 1954/1955
- Category
- Broadcast Receiver - or past WW2 Tuner
- Radiomuseum.org ID
- 80666
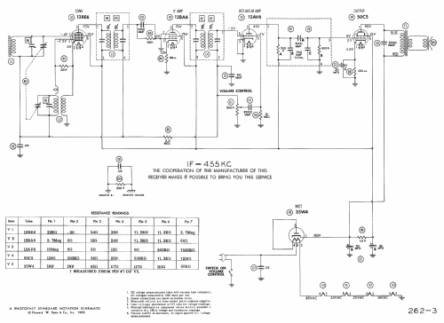
Click on the schematic thumbnail to request the schematic as a free document.
- Number of Tubes
- 5
- Main principle
- Superheterodyne (common); ZF/IF 455 kHz; 2 AF stage(s)
- Tuned circuits
- 6 AM circuit(s)
- Wave bands
- Broadcast only (MW).
- Power type and voltage
- AC/DC-set / 110-120 Volt
- Loudspeaker
- Permanent Magnet Dynamic (PDyn) Loudspeaker (moving coil) / Ø 4 inch = 10.2 cm
- Material
- Bakelite or Plastics (type unknown)
- from Radiomuseum.org
- Model: 853T Ch= RE375 - Arvin, brand of Noblitt-Sparks
- Shape
- Tablemodel without push buttons, Mantel/Midget/Compact up to 14
- Notes
- According to SAMS Photofact the model Arvin 853T (853 T) with chassis Ch= RE375 (RE 375) was made in Ivory, Willow Green, Sandalwood or Coral. The same set was named Arvin 850T if made in color Rosewood.
- Source of data
- Beitman Radio Diagrams, Vol. 15, 1955
- Literature/Schematics (1)
- Photofact Folder, Howard W. SAMS (Date 1-55, set 262, folder 3)
- Author
- Model page created by Egon Penker. See "Data change" for further contributors.
- Other Models
-
Here you find 723 models, 494 with images and 594 with schematics for wireless sets etc. In French: TSF for Télégraphie sans fil.
All listed radios etc. from Arvin, brand of Noblitt-Sparks Industries