Royal 23" R38L/8-CR Ch= Series 8
Astor (brand), Radio Corporation Pty., Ltd.; Melbourne
- Paese
- Australia
- Produttore / Marca
- Astor (brand), Radio Corporation Pty., Ltd.; Melbourne
- Anno
- 1967
- Categoria
- Televisore (TV) / Monitor
- Radiomuseum.org ID
- 283208
-
- alternative name: Radio Corp.of Australia
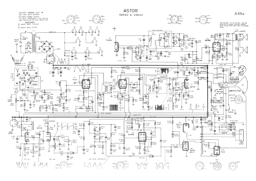
Clicca sulla miniatura dello schema per richiederlo come documento gratuito.
- Numero di tubi
- 12
- Numero di transistor
- Principio generale
- Supereterodina con stadio RF
- Gamme d'onda
- VHF/UHF (ved. i dettagli nelle note)
- Tensioni di funzionamento
- Alimentazione a corrente alternata (CA) / 200-250 Volt
- Altoparlante
- AP magnetodinamico ellittico (magnete permanente e bobina mobile).
- Materiali
- Mobile in legno
- Radiomuseum.org
- Modello: Royal 23" R38L/8-CR Ch= Series 8 - Astor brand, Radio Corporation
- Forma
- Console, con gambe d'appoggio basse (< 50%).
- Dimensioni (LxAxP)
- 29.5 x 26 x 15.5 inch / 749 x 660 x 394 mm
- Annotazioni
-
This 23" TV tunes the standard Australian 13 VHF channels.
- Bibliografia
- -- Original prospect or advert (Astor Sales Brochure)
- Letteratura / Schemi (1)
- - - Manufacturers Literature (Astor Series 8 Data Sheet.)
- Letteratura / Schemi (2)
- -- Schematic (J. R. Publications "Television Service Handbook" page A69a)
- Autore
- Modello inviato da Martin Kent. Utilizzare "Proponi modifica" per inviare ulteriori dati.
- Altri modelli
-
In questo link sono elencati 851 modelli, di cui 491 con immagini e 368 con schemi.
Elenco delle radio e altri apparecchi della Astor (brand), Radio Corporation Pty., Ltd.; Melbourne