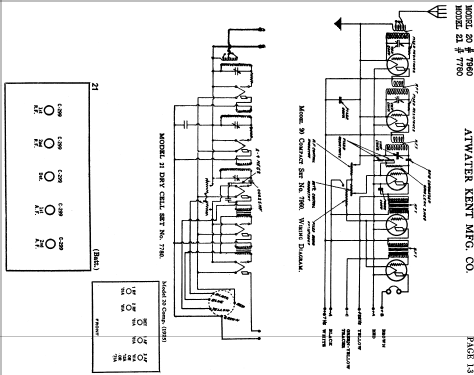
7960 Model 20 Compact UX base, Pooley 2000-R-2 console
Atwater Kent Mfg. Co.; Philadelphia, USA
- Produttore / Marca
- Atwater Kent Mfg. Co.; Philadelphia, USA
- Anno
- 1925
- Categoria
- Radio (o sintonizzatore del dopoguerra WW2)
- Radiomuseum.org ID
- 161242
Clicca sulla miniatura dello schema per richiederlo come documento gratuito.
- Numero di tubi
- 5
- Principio generale
- A circuiti accordati (amplif. diretta) senza reazione
- N. di circuiti accordati
- 3 Circuiti Mod. Amp. (AM)
- Gamme d'onda
- Solo onde medie (OM).
- Tensioni di funzionamento
- Batterie (di accumulatori e/o a secco)
- Altoparlante
- -altoparlante presente ma di tipo ignoto.
- Materiali
- Mobile in legno
- Radiomuseum.org
- Modello: 7960 Model 20 Compact [UX base, Pooley 2000-R-2 console] - Atwater Kent Mfg. Co.;
- Forma
- Console di qualsiasi tipo
- Dimensioni (LxAxP)
- 22.5 x 31.25 x 17.5 inch / 572 x 794 x 445 mm
- Annotazioni
-
Pooley 2000-R-2 "Arm-Chair" console.
The "C" is not shown on the label !
There is also the 20C Compact with UV sockets and the 20 big box !
- Prezzo nel primo anno
- 135.00 $ +
- Fonte dei dati
- -- Original prospect or advert
- Autore
- Modello inviato da Konrad Birkner † 12.08.2014. Utilizzare "Proponi modifica" per inviare ulteriori dati.
- Altri modelli
-
In questo link sono elencati 508 modelli, di cui 332 con immagini e 332 con schemi.
Elenco delle radio e altri apparecchi della Atwater Kent Mfg. Co.; Philadelphia, USA