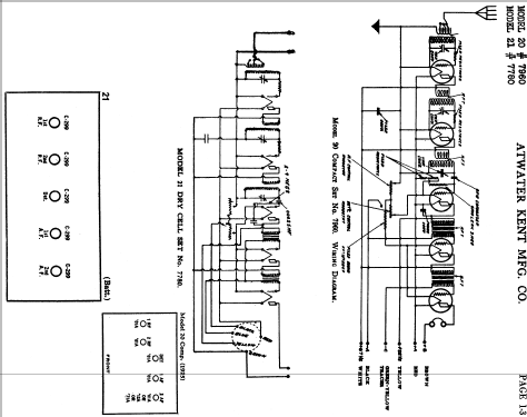
7960 Model 20 Compact UX-base, Table
Atwater Kent Mfg. Co.; Philadelphia, USA
- Produttore / Marca
- Atwater Kent Mfg. Co.; Philadelphia, USA
- Anno
- 1925
- Categoria
- Radio (o sintonizzatore del dopoguerra WW2)
- Radiomuseum.org ID
- 33220
Clicca sulla miniatura dello schema per richiederlo come documento gratuito.
- Numero di tubi
- 5
- Principio generale
- A circuiti accordati (amplif. diretta) senza reazione
- N. di circuiti accordati
- 3 Circuiti Mod. Amp. (AM)
- Gamme d'onda
- Solo onde medie (OM).
- Tensioni di funzionamento
- Batterie (di accumulatori e/o a secco)
- Altoparlante
- - Questo apparecchio richiede altoparlante/i esterno/i.
- Materiali
- Mobile in legno
- Radiomuseum.org
- Modello: 7960 Model 20 Compact [UX-base, Table] - Atwater Kent Mfg. Co.;
- Forma
- Soprammobile a cassapanca o cassetta, solitamente con coperchio (NON a leggio)
- Dimensioni (LxAxP)
- 20 x 6.3 x 6.3 inch / 508 x 160 x 160 mm
- Annotazioni
- The "C" is not shown on the label !
There is also the 20C Compact with UV sockets and the 20 big box !
- Peso netto
- 4.4 kg / 9 lb 11.1 oz (9.692 lb)
- Prezzo nel primo anno
- 60.00 $
- Fonte esterna dei dati
- Ernst Erb
- Fonte dei dati
- Radio Collector`s Guide 1921-1932
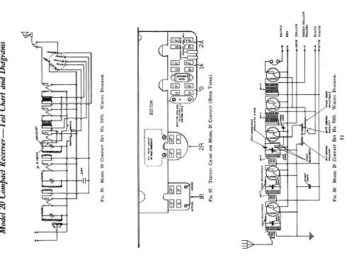
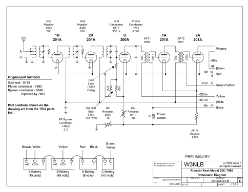
- Riferimenti schemi
- Rider's Perpetual, Volume 1 = 1931/1934 (for 1919-1931)
- Bibliografia
- Radio Manufacturers of the 1920s, Vol 1
- Letteratura / Schemi (1)
- A.Atwater Kent, The Man, 2002
- Letteratura / Schemi (2)
- Radio Broadcast, Feb. 1926, p. 489
- Altri modelli
-
In questo link sono elencati 508 modelli, di cui 332 con immagini e 332 con schemi.
Elenco delle radio e altri apparecchi della Atwater Kent Mfg. Co.; Philadelphia, USA
Collezioni
Il modello 7960 fa parte delle collezioni dei seguenti membri.