- Produttore / Marca
- Atwater Kent Mfg. Co.; Philadelphia, USA
- Anno
- 1935
- Categoria
- Radio (o sintonizzatore del dopoguerra WW2)
- Radiomuseum.org ID
- 18438
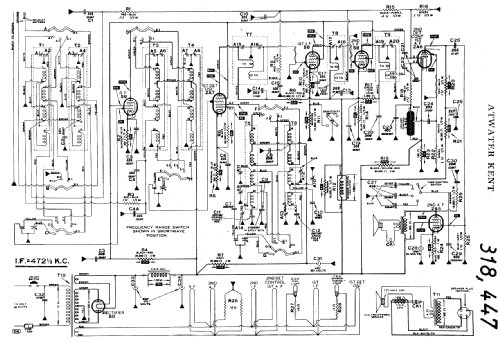
Clicca sulla miniatura dello schema per richiederlo come documento gratuito.
- Numero di tubi
- 8
- Principio generale
- Supereterodina con stadio RF; ZF/IF 472 kHz
- Gamme d'onda
- Onde medie (OM), corte (OC) e tropicali/polizia.
- Tensioni di funzionamento
- Alimentazione a corrente alternata (CA)
- Altoparlante
- AP elettrodinamico (bobina mobile e bobina di eccitazione/di campo) / Ø 11 inch = 27.9 cm
- Potenza d'uscita
- 6.6 W (qualità ignota)
- Materiali
- Mobile in legno
- Radiomuseum.org
- Modello: 318-C - Atwater Kent Mfg. Co.;
- Forma
- Console di qualsiasi tipo
- Annotazioni
-
Tuning from 540 kc to 22.5 mc.
- Fonte esterna dei dati
- E. Erb 3-907007-36-0
- Riferimenti schemi
- Die «Thali Schemasammlung» führt das Modell.
- Bibliografia
- Pre-War Consoles (Rider´s vol.5)
- Letteratura / Schemi (3)
- Atwater Kent Folder No. 421 for 1935.
- Altri modelli
-
In questo link sono elencati 508 modelli, di cui 332 con immagini e 332 con schemi.
Elenco delle radio e altri apparecchi della Atwater Kent Mfg. Co.; Philadelphia, USA