55 Console w/doors
Atwater Kent Mfg. Co.; Philadelphia, USA
- Country
- United States of America (USA)
- Manufacturer / Brand
- Atwater Kent Mfg. Co.; Philadelphia, USA
- Year
- 1929
- Category
- Broadcast Receiver - or past WW2 Tuner
- Radiomuseum.org ID
- 33308
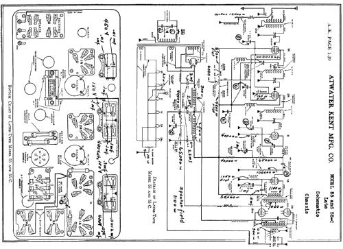
Click on the schematic thumbnail to request the schematic as a free document.
- Number of Tubes
- 7
- Valves / Tubes
- UY224 or C324 UY224 or C324 UY227 or C327 UY227 or C327 UX245 or CX345 UX245 or CX345 UX280 or CX380
- Main principle
- TRF without regeneration; Screengrid 1926-1935
- Tuned circuits
- 3 AM circuit(s)
- Wave bands
- Broadcast only (MW).
- Power type and voltage
- Alternating Current supply (AC) / 115 Volt
- Loudspeaker
- Electro Magnetic Dynamic LS (moving-coil with field excitation coil)
- Material
- Wooden case
- from Radiomuseum.org
- Model: 55 Console w/doors - Atwater Kent Mfg. Co.;
- Shape
- Console, Lowboy (legs < 50 %).
- Dimensions (WHD)
- 25 x 39 x 15 inch / 635 x 991 x 381 mm
- Notes
- any chassis variant is possible, see: 55C early / 55C late / 55FC early / 55FC late
- Net weight (2.2 lb = 1 kg)
- 37 kg / 81 lb 8 oz (81.498 lb)
- External source of data
- Ernst Erb
- Source of data
- Radio Collector`s Guide 1921-1932
- Mentioned in
- Collector's Guide to Antique Radios 4. Edition
- Other Models
-
Here you find 508 models, 332 with images and 332 with schematics for wireless sets etc. In French: TSF for Télégraphie sans fil.
All listed radios etc. from Atwater Kent Mfg. Co.; Philadelphia, USA
Collections
The model 55 is part of the collections of the following members.